SA-V-HE-KR_img_01psd.png
Ausführung KR (Raumansicht)
doc_graphic_000009.png

Konform nach VDI 6022

SA-V-HE_img_04psdlink.psd.link
Kreuz-Gegenstrom Wärmerückgewinner

 

Kreuz-Gegenstrom-Wärmerückgewinner

 

SA-V-HE-KL_img_04psd.png

Revision Filter und Wärmerückgewinner

SA-V-HE-KR_img_03psd.png

Wasseranschluss- und Regelungsanschlussbereich

SA-V-HE_img_03psdlink.psd.link
Justierfuß

Justierfuß

SA-V-HE-KR_img_01psd.png
doc_graphic_000009.png
SA-V-HE_img_04psdlink.psd.link
SA-V-HE-KL_img_04psd.png
SA-V-HE-KR_img_03psd.png
SA-V-HE_img_03psdlink.psd.link

X-CUBE SCHOOLAIR-V-HE 

ZU- UND ABLUFTGERÄT MIT UMSCHALTMÖGLICHKEIT AUF SEKUNDÄRLUFTBETRIEB, INKLUSIVE KREUZ-GEGENSTROMWÄRMERÜCKGEWINNER UND WÄRMEÜBERTRAGER ZUM VERTIKALEN EINBAU AN DER FASSADE

 


Anschlussfertiges dezentrales Lüftungsgerät zur komfortablen Raumtemperierung sowie Be- und Entlüftung von Räumen wie z. B. Unterrichts- oder Besprechungsräumen und Kindertagesstätten

  • Akustisch optimierte EC-Ventilatoren mit niedriger spezifischer Ventilatorleistung nach DIN EN 16798-3, SFP = 0
  • Kreuz-Gegenstrom-Wärmerückgewinner (Rückwärmzahl 84 %)
  • Hocheffizienter Wärmeübertrager zum Heizen und Kühlen als 2- oder 4-Leiter-System
  • Anschluss des Wärmeübertragers raumseitig rechts
  • Kondensatwanne mit Kondensatanschluss (Kondensatanschluss bauseitig notwendig)
  • Ganzjährige Nutzung der Wärmerückgewinnung (WRG)
  • Reduziert Feinstaub- und Pollenbelastung durch integrierte Luftfilter nach VDI 6022 – Filterklasse ISO ePM1 65 % und Abluft ISO Coarse 65 %
  • Werkzeugloser Filterwechsel
  • Motorisierte Absperrklappen, stromlos geschlossen
  • Montage während des Schulbetriebs möglich


Optionale Ausstattung und Zubehör

  • Speziell auf dezentrale Lüftungsgeräte ausgelegte und modular aufgebaute Regelung FSL-CONTROL III
  • Holzverkleidung als Raumlösung in diversen Farben inklusive TROX Lüftungsgittern für Zu- und Abluft (Selbstbausatz)

Technische Information

Funktion, Technische Daten, Schnellauslegung, Ausschreibungstext, Bestellschlüssel

  • FUNKTION
  • TECHNISCHE DATEN
  • SCHNELLAUSLEGUNG
  • AUSSCHREIBUNGSTEXT
  • BESTELLSCHLÜSSEL

Funktionsbeschreibung

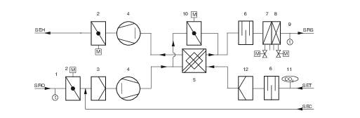
Dezentrale Zu- und Abluftgeräte be- und entlüften den Raum und decken die Kühl- und Heizlast gemäß den technischen Daten ab. Die Außenluft wird von einem EC-Radialventilator angesaugt und strömt durch die motorisierte Absperrklappe und den Außenluftfilter. Danach strömt die Außenluft durch den Kreuz-Gegenstrom-Wärmerückgewinner, der in energetisch sinnvollen Betriebssituationen und zum Geräteschutz abgeschaltet werden kann. Bevor die Zuluft quellluftartig in den Raum strömt, wird sie bei Bedarf im Wärmeübertrager noch geheizt bzw. gekühlt (optional bei 4-Leiter-Geräten). 

Die Abluft strömt durch den Abluftfilter, bevor sie durch den Wärmerückgewinner, den Abluftventilator und die motorisierte Absperrklappe als Fortluft ins Freie gefördert wird. Bei ausreichend guter Raumluftqualität schaltet die Regelung FSL CONTROL III durch Schließen der Außenluftklappen in den energetisch sinnvollen Sekundärluftbetrieb. Die Regelung vergleicht dabei die Sollwerte der Raumluftqualität mit den am CO2-Sensor gemessenen Istwerten und schaltet automatisch zwischen Außenluft- und Sekundärluftbetrieb um. Zum Brandschutz, Frostschutz und zur Vermeidung von Zugluft werden bei Stromausfall die Außenluft- und Fortluftklappe zugefahren. Hierzu besitzen die Stellantriebe einen Energiespeicher. 

Die Zuluft strömt mit mittlerer Geschwindigkeit von 0,5 – 0,8 m/s fassadennah in den Raum. Durch die Induktionswirkung werden die Geschwindigkeiten bereits kurz nach dem Lufteintritt in den Raum abgebaut, so dass sich die Zuluft im Kühlbetrieb über die gesamte Bodenfläche quellluftartig ausbreitet. An Wärmequellen wie Menschen und Geräten bildet sich durch natürliche Konvektion eine Auftriebsströmung, so dass primär in diesen Bereichen die Luft ausgetauscht wird.

Breite

600 mm

Höhe

2000 mm

Tiefe

408 mm

Volumenstrom

150, 200, 240 m³/h (Boost 360 m³/h)

Schallleistungspegel

36 – 50 dB(A)

Wärmerückgewinnungsgrad

84 %

maximaler Betriebsdruck wasserseitig

6 bar

maximale Betriebstemperatur

75 °C

Versorgungsspannung

1~ 230 V AC, ±10 %, 50/60 Hz

Gewicht

90 kg

Nennvolumenstrom

240 m³/h

Anschlussleistung

592 VA

  1. CUBE/SCHOOLAIR-V-HE: Wärmeübertrager Typ 1 (Auslegungsbeispiel 2-Leiter-Ausführung – aktiv heizen)

    Zuluftvolumenstromm³/h150200240360
    GesamtheizleistungW2510337039405260
    RaumheizleistungW6959491031908
    Lufttemperatur im Gerät°C-12-12-12-12
    Zulufttemperatur°C32,332,631,426,7
    Kondensatmengeg/h0000
    Warmwassermengel/h80135165200
    Wassereintrittstemperatur°C50505050
    Wasseraustrittstemperatur°C22,728,329,227,1
    Druckverlust wasserseitigkPa3,17,811,115,7
    Schallleistungspegel Lw,adB(A)36404350
    Schalldruckpegel inklusive 8 dB RaumdämpfungdB(A)28323542
    Wirkleistung PelW22324090
    Luftseitige Daten Heizbetrieb:
    • Temperatur/relative Feuchte Außenluft: -12 °C/90 %
  • Temperatur/relative Feuchte Raumluft: 20 °C/35 %


X-CUBE/SCHOOLAIR-V-HE: Wärmeübertrager Typ 3 (Auslegungsbeispiel 2-Leiter-Ausführung – isotherme Zulufteinbringung)

Zuluftvolumenstromm³/h150200240360
GesamtheizleistungW360540620810
RaumheizleistungW8512899-108
Lufttemperatur im Gerät°C15,214,614,213,3
Zulufttemperatur°C21,521,721,119,2
Kondensatmengeg/h5707298551193
Warmwassermengel/h30120165200
Wassereintrittstemperatur°C50505050
Wasseraustrittstemperatur°C39,746,146,746,5
Druckverlust wasserseitigkPa0,78,114,320
Schallleistungspegel Lw,adB(A)36404350
Schalldruckpegel inklusive 8 dB RaumdämpfungdB(A)28323542
Wirkleistung PelW22324090
Luftseitige Daten Heizbetrieb:
    • Temperatur/relative Feuchte Außenluft: -12 °C/90 %
  • Temperatur/relative Feuchte Raumluft: 20 °C/35 %


X-CUBE/SCHOOLAIR-V-HE: Wärmeübertrager Typ 1 (Auslegungsbeispiel 4-Leiter-Ausführung)

Zuluftvolumenstromm³/h150200240360
Kühlbetrieb




GesamtkühlleistungW440570660880
RaumkühlleistungW384493561715
Lufttemperatur im Gerät°C26,92727,127,3
Zulufttemperatur°C1818,318,719,8
Kondensatg/h0000
Kaltwassermengel/h136190200200
Wassereintrittstemperatur°C16161616
Wasseraustrittstemperatur°C18,818,618,819,8
Druckverlust wasserseitigkPa9,116,417,917,9
Heizbetrieb




GesamtheizleistungW1100160019102580
RaumheizleistungW825118313831654
Lufttemperatur im Gerät°C15,214,614,213,3
Zulufttemperatur°C34,635,735,332,2
Kondensatmengeg/h5707298551193
Warmwassermengel/h60120165200
Wassereintrittstemperatur°C50505050
Wasseraustrittstemperatur°C3438,439,938,8
Druckverlust wasserseitigkPa1,34,37,610,7
Schallleistungspegel Lw,adB(A)36404350
Schalldruckpegel inklusive 8 dB RaumdämpfungdB(A)28323542
Wirkleistung PelW22324090
Luftseitige Daten Kühlbetrieb:
    • Temperatur/relative Feuchte Außenluft: 32 °C/40 %
  • Temperatur/relative Feuchte Raumluft: 26 °C/50 %

Luftseitige Daten Heizbetrieb:
    • Temperatur/relative Feuchte Außenluft: -12 °C/90 %
    • Temperatur/relative Feuchte Raumluft: 20 °C/35 %

Lüftungsgerät mit Zu- und Abluftfunktion, Umschaltmöglichkeit auf Sekundärluftbetrieb (luftqualitätsabhängig), mit Wärmeübertrager und Wärmerückgewinnung (WRG) zum vertikalen Einbau vor der Brüstung

 X-CUBE/SCHOOLAIR-V-HE-2/KM/600×2000×408/C3

Brüstungsgeräte für die Montage vertikal an der Fassade 

Bitte beachten:

Die beschriebene Brüstungslüftungsgerätevariante ist mit einer im Gerät integrierten Einzelraumregelung für autarken Klassenraumbetrieb ausgestattet. Die gelieferten Regler beinhalten die Parameter der Standardregelung für einen Betrieb gemäß unserer Regelungsbeschreibung

Schullüftungsgerät – vertikaler Einbau – Mastergerät Brüstungslüftungsgerät TROX X-CUBE/SCHOOLAIR-V-HE mit Zu- und Abluftfunktion, hoher Rückwärmzahl und Umschaltmöglichkeit auf Sekundärluftbetrieb (luftqualitätsabhängig) sowie Heizfunktion zum senkrechten

Anbau an die Fassade:

  • Gerätegehäuse aus verzinktem Stahlblech
  • Deckel und Blechverbindungen: Verbindung über Gewindetiefzüge und Edelstahlkreuzschlitzschrauben
  • Alle notwendigen internen Luftkanalführungen abgedichtet und ausgekleidet
  • Interne Elektrokabeldurchführungen abgedichtet
  • Sichtflächen pulverbeschichtet (RAL 9005, tiefschwarz)
  • Schall- und wärmedämmende Auskleidung auf Saug- und Druckseite:
    • Glasseidenkaschierte Mineralwolle (Baustoffklasse A, nicht brennbar nach DIN 4102, T1), abriebfest bis Luftgeschwindigkeiten von 20 m/s, oder geschlossenporiger Dämmstoff
  • Entspricht den hygienischen Anforderungen von VDI 6022
  • Höhenverstellbare Justierfüße, +40 mm, zum Ausgleich von Rohbautoleranzen
  • Seitlich angeordnete Langlochlasche (Langloch 6,5 × 13,5 mm) zur Befestigung an der Wand
  • Anschluss an die bauseitigen Außenluft- und Fortluftöffnungen der Fassade:
    • Mit umlaufendem geschlossenporigem Dichtband auf der Geräterückseite, 10 mm stark
    • Der Ansaug- und Ausblaswiderstand der bauseitigen Konstruktion sollte bei Nennvolumenstrom 20 Pa nicht überschreiten
  • Abluftansaugung von Raumseite im oberen Bereich der Gerätefront
  • Einsatz von 2 energiesparenden EC-Radialventilatoren:
    • Zu- und Abluftventilator eingestuft in Kategorie SFP 0 (< 300 W/(m³/s)) nach DIN EN 16798-3:2017-11
    • Elektrische Leistungsaufnahme des gesamten Geräts bei Nennvolumenstrom 240 m³/h < 40 W
    • Zur Dimensionierung der Anschlussleitung: Anschlussleistung von 592 VA berücksichtigen
  • Geeignet für 4 Drehzahlstufen:
    • 150, 200, Nennluftmenge 240 m³/h und Boost-Stufe mit 360 m³/h
    • Ansteuerung über geräteinterne Einzelraumregelung
    • Volumenstromstufenkorrektur durch Anpassung der Steuerspannung nachträglich möglich
  • Technische Anforderungen der EU-Verordnung 1253/2014 für Nichtwohnungslüftungsanlagen:
    • Erfüllt und verordnungsgemäß dokumentiert
  • Integrierter Kreuz-Gegenstrom-Wärmerückgewinner:
    • Hoher Wirkungsgrad (Rückwärmzahl > 84 %)
    • Inklusive Kondensataufnahme und Ableitung
    • Ganzjährige Nutzung der WRG, auch bei sehr niedrigen Temperaturen:
    • Reduziert die zur Verfügung stehende wasserseitige Heizleistung
    • Ein Kondensatanschluss ist zwingend notwendig!
    • Zugänglichkeit zu Wartungszwecken über separaten Servicedeckel ohne Entfernen des Gerätedeckels
  • Mit elektromotorischem Bypass:
    • Führt einen Teilluftvolumenstrom an der WRG vorbei
    • Stellantrieb 24 V (stetig) 0 – 100 %
    • Ansteuerung über geräteinterne Einzelraumregelung
  • Motorische Absperrklappen in Außen- und Fortluftbereich:
    • Stromlos geschlossen im inaktiven Zustand durch Energiespeicher
    • Auf-Zu-Antrieb 230 V AC
    • Ansteuerung über geräteinterne Einzelraumregelung
  • Automatisches Umschalten in energetisch sinnvollen Sekundärluftbetrieb:
    • Nur in Verbindung mit Luftqualitätssensor
    • Vergleich der Sollwerte mit den z. B. internen am CO2-Sensor gemessenen Istwerten
    • Bei ausreichend guter Raumluftqualität: Wechsel von Außenluft- zu Sekundärluftbetrieb
  • Übergabestelle zum bauseitigen Gewerk Elektro:
    • Kabel zum bauseitigen Anschluss (nicht Lieferumfang TROX)
    • Kabel (L, N, PE) mit Aderendhülsen ca. 1 m aus dem Gerät herausgeführt
    • Bauseitiges Gewerk Elektro: 1~ 230 V AC, 50 Hz, 3 × 1,5 mm2 (3 Adern)
  • Elektrische Komponenten im Gerät:
    • Komplett verdrahtet mit Regelung FSL-CONTROL III
    • Regelkomponenten im Gerät integriert
    • Anschlussmöglichkeit für Buskommunikation (optional)
    • Anschluss Raumbediengerät etc. nach Öffnung des Kundenbereichs der Regelung
  • Übergabestelle zum bauseitigen Gewerk Messen/Steuern/ Regeln: Reihenklemmen Typ Wago 260
    • Optionale Integration in MBE/GA via RS485 (Modbus/BACnet)
    • Master-Slave-Verbindung RS485
    • Digitale Ausgänge DO
    • Digitale Eingänge DI
    • Raumbediengerät zur Erfassung der Raumtemperatur
  • Übergabestelle zum bauseitigen Gewerk Messen/Steuern/ Regeln: Netzwerkanschluss RJ45
    • Optionale Integration in eine bauseitige MBE/GA via Ethernet (Modbus/BACnet)
    • RJ45-Anschlussbuchse als Servicezugang zur Bedienoberfläche Raumbediengerät
  • Fühler zur Steuerung der Einzelraumregelung im Gerät:
    • Raumluftqualitätssensor CO2
    • Zulufttemperaturerfassung nach dem Wärmeübertrager
    • Außenlufttemperaturerfassung in der Außenluftansaugung
  • 2-Leiter Aluminium-Kupferrohr-Wärmeübertrager zur Lufterwärmung:
    • Abgestimmt auf die projektspezifischen Daten
    • Zur Reinigung leicht abnehmbar (entscheidend ist die bauseitige Anbindung an die Hauptverrohrung, nicht Lieferumfang TROX)
    • Entleerungs- und Entlüftungsmöglichkeit pro Heiz-/ Kühlkreislauf (Anordnung raumseitig rechts)
  • Reinigung des Wärmeübertragers:
    • Für eine einfache Entnahme: Wir empfehlen eine Anbindung an das bauseitige Rohrnetz mit flexiblen Schläuchen (nicht im Lieferumfang TROX)
    • Übergabepunkte sind die Anschlüsse am Wärmeübertrager, ½" flach dichtend mit Überwurfmutter
    • Leicht reinigbare Kondensatwanne mit Kondensatableitung, (Ø 12 × 1 mm aus verzinktem Stahlblech pulverbeschichtet, RAL 9005)
  • Außenluftfilter als Plisseefilter Klasse ePM1 (Feinstaubfilter):
    • Filterklasse nach ISO16890: ISO ePM1 65 %
    • Eurovent-zertifiziert
    • Aus hochwertigem, nassfestem Glasfaserpapier
    • In enge Falten gelegt
    • Abstandshalter:
      • Aus thermoplastischen Schmelzkleber
      • Gleichmäßiger Abstand der Falten zueinander (4 mm)
    • Rahmen aus feuchtigkeitsbeständigem Vlies mit Auszuglaschen
    • Rahmen darf den Durchströmquerschnitt nicht verkleinern (Filtergröße = Durchströmquerschnitt)
    • Filterfläche ≥ 2,65 m²
  • Abluftfilter Klasse G3 (Grobstaubfilter) als Flachfiltermedium, Filterklasse nach ISO16890: ISO Coarse 65 %
    • Schneller Wechsel der Filter
    • Werkzeugfreies Öffnen des Filtereinschubs durch bedienerfreundliche Vierteldrehverschlüsse (nach Öffnung der bauseitigen Verkleidung)
    • Zugänglichkeit darf von der bauseitigen Brüstungsverkleidung nicht eingeschränkt werden
    • Geschlossenporige Dichtbänder zur Abdichtung und Anpassung an bauseitige Verkleidung nicht Lieferumfang TROX
  • Bauseitige Brüstungsverkleidung:
    • Muss Perforationen erhalten: für die Zulufteinbringung, zur Abluft- und Sekundärluftansaugung
    • Darf auf der Gerätevorderseite Wartungsarbeiten sowie Gerätemontage und -demontage nicht einschränken
    • Lichter Abstand Vorderkante Gerät zur Innenkante der Brüstungsverkleidung ca. 30 mm
    • Zugänglichkeit darf von der bauseitigen Brüstungsverkleidung nicht eingeschränkt werden
  • Geräte – Abmessungen und Gewicht:
    • Breite: ca. 600 mm
    • Höhe: ca. 2000 mm (ohne Justierfußbereich, ohne Befestigungswinkel)
    • Tiefe: ca. 408 mm (ohne Fassadendichtung, ohne PG/MVerschraubungen)
    • Gewicht: ca. 90 kg 


Regelung FSL-CONTROL III:

  • Autarke Einzelraumregelung mit einfachem Zeitprogramm


Optionale Erweiterungen für FSL-CONTROL III:

  • Feuchtesensorik Rücklauftemperaturfühler
  • Elektromotorische Ventilantriebe
  • Druckunabhängige Regelventile
  • Integration in eine bauseitige MBE/GA über:
    • Modbus TCP
    • Modbus RTU
    • BACnet MS/TP
    • BACnet IP

Hinweis:

Die optionalen Erweiterungen sind im Lieferprogramm enthalten, müssen aber in der folgenden Beschreibung gegen die Standardkomponenten ausgetauscht werden.

  • Es wird ein Raumtemperatursignal benötigt
  • Es stehen verschiedene Raumbediengeräte und ein Raumtemperaturfühler zur Auswahl
  • Zugehörige optionale Ausstattungsoptionen – siehe Optionales Regelungszubehör.
  • Wir empfehlen eine Inbetriebnahme durch TROX


TROX Regelmodul FSL-CONTROL III (Bestellschlüssel ...-C3- MA ...):

  • Einzelraumregler zur DIN-Schienen-Montage im Gerät oder in separatem Regelungsgehäuse
  • 42 digitale bzw. analoge Ein- und Ausgänge
  • Integrierte microSD-Karte als Flashspeichermedium
    • Mindestens 2 GB Speicherplatz
    • Speichert die Trenddaten
    • Abrufbar über RJ45-Anschlussbuchse
  • Werkseitig mit speziell für dezentrale Lüftungsgeräte entwickeltem Softwarepaket für Mastergeräte ausgestattet
    • Für eine einfache Master-Slave-Kommunikation über Modbus RTU
  • Es können bis zu 10 Slavegeräte an ein Mastergerät angeschlossen werden
  • Software:
    • 3 Betriebsmodi: Aus, Automatik, Handbetrieb
    • 3 Betriebsarten: Anwesend, Abwesend, Standby
    • 4 Betriebsartenübersteuerungen: Boost, Klausur, 

      Nachtlüftung, Lüfterzwangsschaltung
  • Grundsätzliche Unterscheidung zwischen Raumtemperaturregelung durch Ansteuerung von Heizund Kühlventilen bzw. stetiger Bypassklappe oder Zulufttemperaturregelung für isothermen Lüftungsbetrieb
  • CO2-geführte Luftqualitätsregelung
  • Ganzjährige WRG-Nutzung
  • Filterüberwachung
  • Konfigurierbare DI für bauseitigen Anschluss von Präsenzmeldern, Fensterkontakten, Ferienschaltung etc.
  • Alarmmeldungen: Typ A (Abschaltungen) und Typ B (Benachrichtigungen) 


RTC Echtzeituhr

Real-Time-Clock (RTC/Echtzeituhr) (Bestellschlüssel ...-T/...):

  • Bestandteil des Master-Software-Pakets
  • Ermöglicht ein einfaches Zeitprogramm
    • 7 Tage mit jeweils 10 Schaltpunkten
    • Automatische Sommer-/Winterzeitumschaltung
    • Zeitliche Aktivierung der Nachtauskühlung


CO2-Sensor

CO2-Sensor (Bestellschlüssel .../C/...):

  • In der Abluftansaugung des Mastergerätes angeordneter Sensor zur Erfassung der Raumluftqualität und entsprechender Steuerung des Außenluftvolumenstroms
  • Messung über einen NDIR-Sensor, der auf Infrarotbasis arbeitet und durch sein 2-Strahl-Messprinzip etwaige Verschmutzungen kompensiert
  • Messbereich 0 – 2000 ppm


Zulufttemperaturfühler

Zulufttemperaturfühler (Bestellschlüssel .../Z/...):

  • Zulufttemperaturfühler mit NTC-Thermistor als Fühlerelement, Widerstand 10 kΩ bei 25 °C, Messbereich -35 – 105 °C
  • Besonders schnelle Reaktionszeit durch gelochte Messspitze


Außenlufttemperaturfühler

Außenlufttemperaturfühler (Bestellschlüssel .../A/...):

  • Außenlufttemperaturfühler mit NTC-Thermistor als Fühlerelement, Widerstand 10 kΩ bei 25 °C, Messbereich -35 – 105 °C


Wasserseitige Komponenten

Wasserseitige Komponenten (Bestellschlüssel …/HV-R-…):

  • 1 × thermoelektrischer Ventilstellantrieb:
    • Zum Öffnen und Schließen von Ventilen
    • Mit Stellungsanzeige
    • Inklusive steckbarer Anschlussleitung
    • Betriebsspannung 24 V DC
    • Steuerspannung 0 – 10 V DC
    • Leistungsaufnahme 1 W
    • Schutzart: IP 54

  • 1 × Durchgangskleinventil ½" Standard:
    • Handfest vormontiert
    • PN 16
    • DN 10
    • Kvs 0,4 (alternativ 0,25, 0,63 oder 1,0 m³/h – bitte nennen Sie uns den benötigten Kvs-Wert)
    • Ventilgehäuse Durchgangsform mit Außengewinde beidseitig ½“ flach dichtend
    • Medientemperatur 1 – 110 °C

  • 1 × Rücklaufverschraubung beidseitig ½":
    • Handfest vormontiert
    • Nennweite DN 15
    • Ventilgehäuse Durchgangsform mit Außengewinde beidseitig ½" flach dichtend
    • Zur Regulierung und Absperrung
    • Medientemperatur maximal 120 °C


Optionales Regelungszubehör

Optionale Ausstattungsmöglichkeiten zur Komfortsteigerung der Regelung FSL-CONTROL III: TROX Raumbediengeräte für FSL-CONTROL III Je Raum wird mindestens ein Raumtemperatursignal benötigt. Es stehen von TROX diverse Varianten an Raumbediengeräten zur Verfügung, wahlweise mit oder ohne Stufenschaltung. Zusätzlich bieten wir einen Raumtemperaturfühler RTF ohne Bedienelemente an. Alternative bauseitige Raumbediengeräte müssen über eine Buskommunikation aufgeschaltet werden.

Digitale Raumbediengeräte für Aufputzmontage

Für die Bedienung und Einstellung der Lüftungsgeräte. Digitale Raumbediengeräte für Aufputzmontage: Für die Bedienung und Einstellung der Lüftungsgeräte, Typ Schneider

TM172DCLWT:

  • Lose als Beistellteil mitgeliefert
  • Anbindung an Mastergerät über Modbus serial line
  • Projektspezifische Software inklusive Sollwertsteller, diverser Statusanzeigen, Stufenschalter, CO2-Ampel
  • Berührungsempfindliches Farbdisplay 3,5", 320 × 240 Pixel
  • Sensor: NTC 10 kΩ
  • Schutzart: IP 20
  • Abmessungen (H × B × T): 120 × 86 × 25 mm
  • Gewicht: 340 g
  • Farbe: weiß
  • Montage: Wandaufbau oder auf Standard-Unterputzdose
  • Versorgung: 24 V DC (optional mit passendem Schaltnetzteil für Unterputzmontage)
  • Leistungsaufnahme: 3,2 VA/1,3 W
  • Weitere Designrahmen gegen Mehrpreis auf Anfrage erhältlich


Raumbediengeräte mit Stufenschalter für Aufputzmontage

Raumbediengerät mit Stufenschaltung, Typ Thermokon, Aufputzmontage:

  • Lose als Beistellteil mitgeliefert
  • Mit Raumtemperaturfühler, Sollwertversteller, Übersteuerungstaste, LED und 3-Stufenschalter sowie Aus und Automatik
  • Gehäuse aus PVC0 reinweiß (RAL 9010)
  • Montage auf 60 mm Unterputzdose oder direkt auf der Wand
  • NTC-Thermistor als Fühlerelement, Widerstand 20 kΩ bei 25 °C
  • Abmessungen (B × H × T): 84,5 × 84,5 × 25 mm,
  • Betriebstemperatur: -35 – 70 °C


Raumbediengeräte ohne Stufenschalter für Aufputzmontage

Raumbediengerät ohne Stufenschalter, Typ Thermokon, Aufputzmontage:

  • Lose als Beistellteil mitgeliefert
  • Mit Modusanzeige, Taster und Sollwertverstellung, Sensor NTC 20 kΩ
  • Schutzart: IP 20
  • Abmessungen (B × H × T): 84,5 × 84,5 × 25 mm


Raumtemperaturfühler für Aufputzmontage

Raumtemperaturfühler TROX RTF, Aufputzmontage:

  • Lose als Beistellteil mitgeliefert
  • Raumfühler ohne Bedienelemente
  • Messbereich: -35 – 70 °C
  • Sensor NTC 10 kΩ
  • Anschlussklemme: Schraubklemme, Ø = 1,5 mm²
  • Schutzart IP 20
  • Montage Wandaufbau oder auf 70 mm Unterputzdose
  • Abmessungen (B × H × T): 85 × 85 × 30 mm
  • Gehäuse ABS in RAL 9010


Raumbediengeräte ohne Stufenschalter für Unterputzmontage

  • Für die manuelle Bedienung der Lüftungsgeräte
  • Besonders geeignet für designorientierte Einrichtungen
  • Hochwertige Optik
  • Verschiedene Schalterprogramme mit den passenden Designrahmen


Raumbediengerät ohne Stufenschalter, Typ Thermokon, Unterputzmontage, Schalterprogramm Berker S.1 polarweiß:

  • Lose als Beistellteil mitgeliefert
  • Mit Modusanzeige, Taster und Sollwertverstellung, Sensor NTC 20 kΩ
  • Schutzart: IP 20


Raumbediengerät ohne Stufenschalter, Typ Thermokon, Unterputzmontage, Schalterprogramm Berker Q.3, weiß:

  • Lose als Beistellteil mitgeliefert
  • Mit Modusanzeige, Taster und Sollwertverstellung, Sensor NTC 20 kΩ
  • Schutzart: IP 20
  • Raumbediengerät ohne Stufenschalter, Typ Thermokon, Unterputzmontage, Schalterprogramm Busch-Jäger future linear, weiß:
  • Lose als Beistellteil mitgeliefert
  • Mit Modusanzeige, Taster und Sollwertverstellung, Sensor NTC 20 kΩ
  • Schutzart: IP 20

Weitere Schalterprogramme auf Anfrage.


Raumbediengeräte ohne Stufenschalter und ohne 
Sollwertsteller für Unterputzmontage

Raumbediengerät ohne Stufenschalter und ohne Sollwertsteller, Typ Thermokon, Unterputzmontage, Schalterprogramm Gira E2:

  • Lose als Beistellteil mitgeliefert
  • Mit Modusanzeige und Taster, Sensor NTC 20 kΩ
  • Schutzart: IP 20

Weitere Schalterprogramme auf Anfrage.

Elektromotorischer Ventilstellantrieb

Als Alternative zum standardmäßig installierten thermoelektrischen Stellantrieb:

  • 1 × elektromotorischer Stellantrieb zum Öffnen und Schließen von Ventilen
    • Betriebsspannung 24 V AC/DC
    • Maximale Leistungsaufnahme 2,5 VA
    • Ansteuerung Stellsignal 3-Punkt DC 0 – 10 V
    • Zulässige Medientemperatur 1 – 110 °C


Druckunabhängiges Regelventil

Als Alternative zum standardmäßig installierten

Durchgangskleinventil:

  • 1 × druckunabhängiges Regelventil
    • Handfest vormontiert
    • Mit modulierender Auf/Zu-Regelung in Kombination mit einem von außen einstellbaren, dynamischen Volumenstromregler
    • Mit voller Ventilautorität
    • Nennweite DN 10
    • Ventilgehäuse Durchgangsform mit Außengewinde beidseitig ½“ flach dichtend
    • Medientemperatur 0 – 120 °C


Schnittstelle zur Integration in eine bauseitige MBE/GA

Modbus TCP-Schnittstelle inklusive Webserver (Bestellschlüssel .../MT/...)

Zur Komfortsteigerung empfehlen wir die Integration in eine bauseitige MBE/GA oder die Visualisierung mit X-TAIRMINAL. FSL-CONTROL III bietet die Möglichkeit, via Modbus TCPProtokoll in eine bauseitige MBE/GA integriert zu werden. Zusätzlich inklusive Webserver zur vereinfachten Konfiguration, Inbetriebnahme und Fernüberwachung des Gerätes. Die MBE/ GA ist nicht im Lieferumfang TROX enthalten, hier sind lediglich die zuvor aufgeführten Schnittstellen verfügbar.

  • Modbus TCP-Schnittstelle (Ethernet)


BACnet IP-Schnittstelle inklusive Webserver (Bestellschlüssel .../ BI/...) Zur Komfortsteigerung empfehlen wir die Integration in eine bauseitige MBE/GA. FSL-CONTROL III bietet die Möglichkeit, via BACnet-IP-Protokoll in eine bauseitige MBE/GA integriert zu werden. Zusätzlich inklusive Webserver zur vereinfachten Konfiguration, Inbetriebnahme und Fernüberwachung des Gerätes. Die MBE/GA ist nicht im Lieferumfang TROX enthalten, hier sind lediglich die zuvor aufgeführten Schnittstellen verfügbar.

  • BACnet IP-Schnittstelle (Ethernet)


Modbus RTU (Bestellschlüssel .../MR/...) Zur Komfortsteigerung empfehlen wir die Integration in eine bauseitige MBE/GA. FSL-CONTROL III bietet die Möglichkeit, via Modbus RTU in eine bauseitige MBE/GA integriert zu werden. Die MBE/GA ist nicht im Lieferumfang TROX enthalten, hier sind lediglich die zuvor aufgeführten Schnittstellen verfügbar.

  • Modbus RTU-Schnittstelle (RS485)


Zur Komfortsteigerung empfehlen wir die Integration in eine bauseitige MBE/GA. FSL-CONTROL III bietet die Möglichkeit, via BACnet MS/TP in eine bauseitige MBE/GA integriert zu werden. Die MBE/GA ist nicht im Lieferumfang TROX enthalten, hier sind lediglich die zuvor aufgeführten Schnittstellen verfügbar.

  • BACnet MS/TP-Schnittstelle (RS485)


Ausführung als SLAVEGERÄT

Baugleich zum MASTERGERÄT, wie zuvor beschrieben, jedoch mit folgenden Abweichungen:

  • Keine Raumluftqualitätsmessung im Gerät
  • Keine Anschlussmöglichkeit für Raumbediengeräte
  • Keine Außentemperaturerfassung in der Außenluft
  • Keine Aufschaltung auf bauseitige Buskommunikation möglich
  • Vormontiertes autarkes Regelsystem für dezentrale Fassadenlüftungsgeräte in SLAVE-Ausführung


Ersatzfilterset passend zur Geräteausführung

  • Abluftfilter als Filtermattenzuschnitt
  • Außenluftfilter als Plisseefilter


Inbetriebnahme der dezentralen Lüftungsgeräte

Inbetriebnahme/Parametrisierung der dezentralen Lüftungsgeräte ohne Integration in eine bauseitige MBE/GA

  • Sichtprüfung der bauseitig vorgenommenen Geräteanschlüsse auf Übereinstimmung mit den jeweiligen Einbauvorgaben aus der Installations- und Konfigurationsanleitung: Luftanschlüsse; Heizungs-/ Kälteanbindung; Elektroanschlüsse; Einbindung in die installierte Geräteverkleidung; Anschlüsse externer Teilnehmer
  • Prüfung und gegebenenfalls Anpassung der im Werk voreingestellten Projektparameter im Hinblick auf kundenspezifische Anpassungen
  • Funktionsprüfung der einzelnen Komponenten (Stellglieder, Ventilatoren, Ventile, Klappen, Sensoren)
  • Überprüfung der projektspezifischen Regelfunktionen inklusive eventueller Sonderfunktionen wie z. B. potentialfreier Schaltkontakte
  • Dokumentation der Geräteeinstellungen und des Einsatzes in einem Servicebericht. Der Servicebericht ist von Ihrem Unternehmen als Auftraggeber oder Ihrem Vertreter zu unterzeichnen
  • Die Abrechnung erfolgt als Pauschale, abgeleitet aus Geräteanzahl und Entfernung

Inbetriebnahme/Parametrisierung der dezentralen Lüftungsgeräte mit Integration in eine bauseitige MBE/GA

  • Sichtprüfung der bauseitig vorgenommenen Geräteanschlüsse auf Übereinstimmung mit den jeweiligen Einbauvorgaben aus der Installations- und Konfigurationsanleitung: Luftanschlüsse; Heizungs-/ Kälteanbindung; Elektroanschlüsse; Einbindung in die installierte Geräteverkleidung; Anschlüsse externer Teilnehmer; Anschlüsse der MBE/GA
  • Prüfung und gegebenenfalls Anpassung der im Werk voreingestellten Projektparameter im Hinblick auf kundenspezifische Anpassungen
  • Funktionsprüfung der einzelnen Komponenten (Stellglieder, Ventilatoren, Ventile, Klappen, Sensoren)
  • Überprüfung der projektspezifischen Regelfunktionen inklusive eventueller Sonderfunktionen wie z. B. potentialfreier Schaltkontakte
  • Funktionsprüfung der Kommunikation zur MBE/GA in Zusammenarbeit mit der bestellten MSR-Firma:
    • Überprüfung der bauseitig vorzunehmenden Einstellungen auf Übereinstimmung mit den Vorgaben aus der Installations- und Konfigurationsanleitung
    • Eingangsprüfung der bauseitig gesendeten Datenpunkte
    • Ausgangsprüfung der ausgegebenen Datenpunkte
    • Probebetrieb der von der MBE/GA schaltbaren Betriebszustände
  • Dokumentation der Geräteeinstellungen und des Einsatzes in einen Servicebericht. Der Servicebericht ist von Ihrem Unternehmen als Auftraggeber oder von einem befugten Vertreter Ihres Unternehmens zu unterzeichnen
  • Die Abrechnung erfolgt als Pauschale, abgeleitet aus Geräteanzahl und Entfernung

Einweisung in Bedienung und Wartung

  • Einmalige Unterweisung zur Bedienung der dezentralen Lüftungsgeräte bestehend aus:
    • Beschreibung der Gerätefunktionen am bereits in Betrieb genommenem Gerät
    • Beschreibung der Raumbedieneinheit und der damit beeinflussbaren Raumkonditionen
    • Beschreibung der Wartungsarbeiten
  • Die Abrechnung erfolgt als Pauschale und wird durch den verantwortlichen Vertriebsmitarbeiter durchgeführt

SCHOOLAIR-VHE4 / K / KM / 600 × 2000 × 408 / C3MA / T / MR / C / Z / AHVR / 0,40/KVR – 0,40
||||||||||||||||||  |
123456789101112131415161718  19


1 Serie

SA-V vertikales dezentrales Lüftungsgerät X-CUBE/

SCHOOLAIR-V

2 Variante

HE hoher Wärmerückgewinnungsgrad

3 Wärmeübertrager

2 2-Leiter

4 4-Leiter

4 Wärmeübertragerausführung

Ausführung angeben (technische Auslegung mit TROX EPF

oder TROX CONFIGURATOR)

5 Ausführung

KM mit Kondensatablauf

6 Nenngröße [mm]

Breite × Höhe × Tiefe

600 × 2000 × 408

7 Regelung

OR ohne Regelung

C3 mit FSL-CONTROL III

8 Regelungsfunktion

MA Master

SL Slave

9 Echtzeituhr

Nur mit Regelungsfunktion MA

Keine Eintragung: ohne Echtzeituhr

T mit Echtzeituhr

10 Schnittstelle

Keine Eintragung: ohne Schnittstelle

MT mit Modbus TCP

MR mit Modbus RTU (nur mit Regelungsfunktion MA)

BI mit BACnet IP

BM mit BACnet MS/TP (nur mit Regelungsfunktion MA)

11 Luftqualitätsfühler

Nur mit Regelungsfunktion MA

Keine Eintragung: ohne Luftqualitätsfühler

C mit CO2-Sensor

V mit VOC-Sensor

12 Zulufttemperaturfühler

Z mit Zulufttemperaturfühler

13 Außenlufttemperaturfühler

Nur mit Regelungsfunktion MA

Keine Eintragung: ohne Außenlufttemperaturfühler

A mit Außenlufttemperaturfühler

14 Heizventil

Nur mit Wärmeübertrager 2 oder 4

HV mit thermoelektrischem Antrieb

HVE mit elektromotorischem Antrieb

15 Rücklaufverschraubung Heizkreis

Nur mit Wärmeübertrager 2 oder 4

R mit Rücklaufverschraubung

16 Kvs-Wert Heizventil

Nur mit Wärmeübertrager 2 oder 4

0,25 (Durchgangsventil)

0,40 (Durchgangsventil)

0,63 (Durchgangsventil)

1,00 (Durchgangsventil)

F0,50 (druckunabhängiges Regelventil)

17 Kühlventil

Nur mit Wärmeübertrager 4

KV mit thermoelektrischem Antrieb

KVE mit elektromotorischem Antrieb

18 Rücklaufverschraubung Kühlkreis

Nur mit Wärmeübertrager 4

R mit Rücklaufverschraubung

19 Kvs-Wert Kühlventil

Nur mit Wärmeübertrager 4

0,25 (Durchgangsventil)

0,40 (Durchgangsventil)

0,63 (Durchgangsventil)

1,00 (Durchgangsventil)

F0,50 (druckunabhängiges Regelventil)

 

Produktdetails 

  • PRODUKTDETAILS 

Einbau und Inbetriebnahme

  • Aufstellung auf dem Fußboden vor der Außenwand
  • Ausgleich von Rohbautoleranzen über die 4 Justierfüße (+40 mm)
  • 4 seitliche Befestigungswinkel zur Verschraubung mit dem Baukörper
  • Die Außenluftansaugung bzw. Fortluftausblasung erfolgt über 2 Fassadenöffnungen. Die Fassadenöffnungen müssen vom Kunden fachgerecht bereitgestellt werden und haben idealerweise ein Gefälle nach außen
  • Freier Querschnitt der Lüftungsöffnungen 0,03 m² je Öffnung (Außen- und Fortluft) und 0,1 m² je Öffnung (Zu- und Abluft)
  • Witterungsschutz der Außen- und Fortluftöffnung erfolgt als bauseitige Leistung
  • Einbau und Erstellung aller Anschlüsse und Lieferung des Befestigungs-, Verbindungs- und Dichtungsmaterials erfolgen bauseitig
  • Wasseranschlüsse für Vor- und Rücklauf befinden sich, vom Raum ausgesehen, auf der rechten Geräteseite 
  • Bauseitig ist auf die Möglichkeit zur Entleerung und Entlüftung zu achten
  • Elektroanschluss befindet sich, vom Raum ausgesehen, auf der linken Geräteseite
  • Für eine einfache Entnahme des Wärmeübertragers empfehlen wir die Verbindung mit flexiblen Schläuchen zum bauseitigen Rohrnetz
  • Die bauseitige Brüstungsverkleidung darf auf der Gerätevorderseite Wartungsarbeiten und Gerätemontage bzw. -demontage nicht einschränken

Abmessungen

  • ABMESSUNGEN

Downloads

Produktinfos

Zertifikate

Betriebsanleitungen

production {"x-frame-options"=>"SAMEORIGIN", "x-xss-protection"=>"1; mode=block", "x-content-type-options"=>"nosniff", "x-download-options"=>"noopen", "x-permitted-cross-domain-policies"=>"none", "referrer-policy"=>"strict-origin-when-cross-origin", "strict-transport-security"=>"max-age=31536000; includeSubDomains", "content-type"=>"text/html; charset=utf-8"}

Seite teilen

Diese Seite weiterempfehlen

Hier haben Sie die Möglichkeit diese Seite als Link weiter zu empfehlen.

Mit Stern (*) markierte Felder sind Pflichtfelder.

Kontakt

Vielen dank für Ihre Nachricht!

Ihre Empfehlung wurde verschickt und sollte jeden Moment beim Empfänger eingehen.

Kontakt

Wir sind für Sie da

Bitte spezifizieren Sie das Thema Ihrer Anfrage und Ihre Kontaktdaten.
Tel.: +49 (0)2845 / 202-0 | Fax: +49 (0)2845/202-265

Mit Stern (*) markierte Felder sind Pflichtfelder.

Kontakt

Vielen Dank für Ihre Nachricht!

Ihre Nachricht in ist unserem Service Center eingegangen und wird bearbeitet.
Unsere Abteilung für Service-Anfragen wird sich in Kürze mit Ihnen in Verbindung setzten.
Für allgemeine Fragen zu Produkten und Services erreichen Sie uns auch unter:
Tel.: +49 (0)2845 / 202-0 | Fax: +49 (0)2845/202-265

Kontakt

Wir sind für Sie da

Bitte spezifizieren Sie das Thema Ihrer Anfrage und Ihre Kontaktdaten.
Tel.: +49 (0)2845 / 202-0 | Fax: +49 (0)2845/202-265

Anhang (max. 10MB)

Mit Stern (*) markierte Felder sind Pflichtfelder.

Kontakt

Vielen Dank für Ihre Nachricht!

Ihre Nachricht in ist unserem Service Center eingegangen und wird bearbeitet.
Unsere Abteilung für Service-Anfragen wird sich in Kürze mit Ihnen in Verbindung setzten.
Für allgemeine Fragen zu Produkten und Services erreichen Sie uns auch unter:
Tel.: +49 (0)2845 / 202-0 | Fax: +49 (0)2845/202-265