SA-V-2L
Geprüft nach VDI 6022

Geprüft nach VDI 6022

X-CUBE_img_55
Kreuzstrom-Wärmerückgewinner
SCHOOLAIR-V_img_173236

Wasseranschlussbereich

SCHOOLAIR-V_img_173241

Revision Filter

SCHOOLAIR-B_img_127933

Justierfuß

SA-V-2L
Geprüft nach VDI 6022
X-CUBE_img_55
SCHOOLAIR-V_img_173236
SCHOOLAIR-V_img_173241
SCHOOLAIR-B_img_127933

X-CUBE SCHOOLAIR-V-2L  

Zu- und Abluftgerät zum vertikalen Einbau an der Fassade

Anschlussfertiges dezentrales Lüftungsgerät zur komfortablen Raumtemperierung sowie Be- und Entlüftung von Räumen wie Unterrichts- oder Besprechungsräumen und Kindertagesstätten
■ Montage während des Schulbetriebs möglich
■ Akustisch optimierte EC-Ventilatoren mit niedriger spezifischer Ventilatorleistung, nach DIN EN 16798-3 SFP = 0
■ Umschaltmöglichkeit auf Sekundärluftbetrieb
■ Reduzierung der Feinstaub- und Pollenbelastung durch integrierte Luftfilter nach VDI 6022 – Filterklasse ISO ePM1 65 % und Abluft ISO Coarse 75 %
■ Werkzeugloser Filterwechsel
■ Kreuzstrom-Wärmerückgewinner
■ Ganzjährige Nutzung der Wärmerückgewinnung (WRG) optional
■ Hocheffizienter Wärmeübertrager zum Heizen oder Kühlen als 2-Leiter-System
■ Anschluss des Wärmeübertragers raumseitig rechts
■ Kondensatwanne mit oder ohne Kondensatanschluss
■ Motorisierte Absperrklappen, stromlos geschlossen

Optionale Ausstattung und Zubehör
■ Speziell auf dezentrale Lüftungsgeräte ausgelegte und modular aufgebaute Regelung FSL-CONTROL III
■ Holzverkleidung als Raumlösung in diversen Farben inklusive TROX Lüftungsgittern für Zu- und Abluft (Selbstbausatz)

Technische Information

  • FUNKTION
  • TECHNISCHE DATEN
  • AUSSCHREIBUNGSTEXT
  • BESTELLSCHLÜSSEL

Funktionsbeschreibung
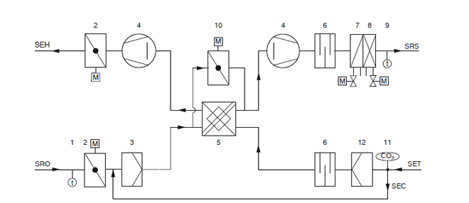
Dezentrale Zu- und Abluftgeräte be- und entlüften den Raum und decken die Kühl- und Heizlast gemäß den technischen Daten ab. Die Außenluft wird von einem EC‑Radialventilator angesaugt und strömt durch die motorisierte Absperrklappe sowie durch den Außenluftfilter. Danach strömt die Außenluft durch den Kreuzstrom-Wärmerückgewinner, der in energetisch sinnvollen Betriebssituationen abgeschaltet werden kann. Bevor die Zuluft quellluftartig in den Raum strömt, wird sie bei Bedarf im Wärmeübertrager noch geheizt. Die Abluft strömt durch den Abluftfilter, bevor sie durch den Kreuzstrom- Wärmerückgewinner, den Abluftventilator und die motorisierte Absperrklappe als Fortluft ins Freie gefördert wird. Bei ausreichend guter Raumluftqualität schaltet die FSL‑CONTROL III Regelung durch Schließen der Außenluftklappen in den energetisch sinnvollen Sekundärluftbetrieb. Die Regelung vergleicht dabei die Sollwerte der Raumluftqualität mit den am CO2‑Sensor gemessenen Istwerten und schaltet automatisch zwischen Außenluft- und Sekundärluftbetrieb um. Zum Brandschutz, Frostschutz und zur Vermeidung von Zugluft werden bei Stromausfall die Außenluft- und Fortluftklappe zugefahren. Hierzu besitzen die Stellantriebe einen Energiespeicher. Die Zuluft strömt mit mittlerer Geschwindigkeit von 0,5 – 0,8 m/s fassadennah in den Raum. Durch die Induktionswirkung werden die Geschwindigkeiten bereits kurz nach dem Lufteintritt in den Raum abgebaut. Dadurch breitet sich die Zuluft im Kühlfall über die gesamte Bodenfläche quellluftartig aus. An Wärmequellen wie Menschen und Geräten bildet sich durch natürliche Konvektion eine Auftriebsströmung, so dass primär in diesen Bereichen die Luft ausgetauscht wird.

Breite

397 mm

Höhe

2160 mm

Tiefe

359 mm

Volumenstrom

150, 200, 250 m³/h (Boost 320 m³/h)

Nennvolumenstrom

250 m³/h

Schallleistungspegel

31 – 46 dB(A)

Wärmerückgewinnungsgrad

52 %

maximaler Betriebsdruck wasserseitig

6 bar

maximale Betriebstemperatur

75 °C

Versorgungsspannung

1~ 230 V AC, ±10 %, 50/60 Hz

Anschlussleistung

226 VA

Gewicht

70 kg

Dieser Ausschreibungstext beschreibt die generellen Eigenschaften des Produkts. Texte für Varianten generiert unser Auslegungsprogramm Easy Product Finder.


Ausschreibungstext
SA-V
Brüstungslüftungsgeräte für die Montage vertikal an der Fassade
Brüstungslüftungsgerät TROX SCHOOLAIR-V mit Zu- und Abluftfunktion, WRG und Umschaltmöglichkeit auf Sekundärluftbetrieb (luftqualitätsabhängig) sowie Heiz- und/oder Kühlfunktion zum senkrechten Anbau an die Fassade:
  • Gerätegehäuse aus verzinktem Stahlblech
    • Deckel und Blechverbindungen: Verbindung erfolgt über Gewindetiefzüge und Edelstahlkreuzschlitzschrauben
    • Alle notwendigen internen Luftkanalführungen abgedichtet und ausgekleidet
    • Interne Elektrokabeldurchführungen abgedichtet
    • Sichtflächen pulverbeschichtet (RAL 9005, tiefschwarz)
  • Schall- und wärmedämmende Auskleidung auf Saug- und Druckseite:
    • Glasseidenkaschierte Mineralwolle (Baustoffklasse A, nicht brennbar nach DIN 4102, T1), abriebfest bis Luftgeschwindigkeiten von 20 m/s, oder geschlossenporiger Dämmstoff
  • Das Gerät entspricht den hygienischen Anforderungen von VDI 6022
  • Höhenverstellbare Justierfüße, +40 mm, zum Ausgleich von Rohbautoleranzen
  • Anschluss an die bauseitigen Außenluft- und Fortluftöffnungen der Fassade:
    • Mit umlaufendem geschlossenporigem Dichtband auf der Geräterückseite, 10 mm stark
    • Der Ansaug- und Ausblaswiderstand der bauseitigen Konstruktion sollte bei Nennvolumenstrom 20 Pa nicht überschreiten
  • Abluftansaugung von Raumseite im oberen Bereich der Gerätefront
  • Einsatz von 2 energiesparenden EC-Radialventilatoren:
    • Zu- und Abluftventilator eingestuft in Kategorie SFP 0 (< 300 W/(m³/s)) nach DIN EN 16798-3:2017-11
  • Geeignet für 4 Drehzahlstufen:
    • Ansteuerung über geräteinterne Einzelraumregelung
    • Volumenstromstufenkorrektur durch Anpassung der Steuerspannung nachträglich möglich
  • Technische Anforderungen der EU-Verordnung 1253/2014 für Nichtwohnungslüftungsanlagen:
    • Erfüllt und verordnungsgemäß dokumentiert
  • Motorische Absperrklappen in Außen- und Fortluftbereich:
    • Stromlos geschlossen im inaktiven Zustand durch Energiespeicher
    • Auf-Zu-Antrieb 230 V AC
    • Ansteuerung über geräteinterne Einzelraumregelung
  • Automatisches Umschalten in energetisch sinnvollen Sekundärluftbetrieb:
    • Nur in Verbindung mit Luftqualitätssensor
    • Vergleich der Sollwerte mit den z. B. internen am CO2-Sensor gemessenen Istwerten
    • Bei ausreichend guter Raumluftqualität: Wechsel von Außenluft- zu Sekundärluftbetrieb
  • Übergabestelle zum bauseitigen Gewerk Elektro:
    • Kabel zum bauseitigen Anschluss (nicht Lieferumfang TROX)
    • Kabel (L, N, PE) mit Aderendhülsen ca. 1 m aus dem Gerät herausgeführt
    • Bauseitiges Gewerk Elektro: 1~ 230 V AC, 50 Hz, 3 x 1,5 mm2 (3 Adern)
  • Elektrische Komponenten im Gerät:
    • Komplett verdrahtet mit Regelung FSL-CONTROL III
    • Regelkomponenten im Gerät integriert Anschlussmöglichkeit für Buskommunikation (optional)
    • Anschluss Raumbediengerät etc. nach Öffnung des Kundenbereichs der Regelung
  • Übergabestelle zum bauseitigen Gewerk Messen/Steuern/ Regeln: Reihenklemmen Typ Wago 260
    • Mastergerät:
      • Optionale Integration in MBE/GA via RS485 (Modbus/BACnet)
      • Master-Slave-Verbindung RS485
      • Digitalausgänge DO
      • Digitaleingänge DI
      • Raumbediengerät zur Erfassung der Raumtemperatur
    • Slavegerät:
      • Master-Slave-Verbindung RS485
  • Übergabestelle zum bauseitigen Gewerk Messen/Steuern/ Regeln: Netzwerkanschluss RJ45
    • Optionale Integration in eine bauseitige MBE/GA via Ethernet (Modbus/BACnet)
    • RJ45-Anschlussbuchse als Servicezugang zur Bedienoberfläche
  • Bauseitige Brüstungsverkleidung:
    • Muss Perforationen erhalten: für die Zulufteinbringung, zur Abluft- und Sekundärluftansaugung
    • Darf auf der Gerätevorderseite Wartungsarbeiten sowie Gerätemontage und -demontage nicht einschränken
    • Lichter Abstand Vorderkante Gerät zur Innenkante der Brüstungsverkleidung ca. 30 mm
    • Geschlossenporige Dichtbänder zur Abdichtung und Anpassung an bauseitige Verkleidung nicht Lieferumfang TROX
  • Filterwechsel:
    • Schneller Filterwechsel
    • Werkzeugfreies Öffnen der Filterdeckel durch bedienerfreundliche Vierteldrehverschlüsse (nach Öffnung der bauseitigen Verkleidung)
    • Zugänglichkeit darf von der bauseitigen Brüstungsverkleidung nicht eingeschränkt werden

0
Variante Standard
  • Befestigungspunkte zur Montage:
    • Variabel einstellbarer Befestigungswinkel auf Geräteoberkante mit 2 Langlöchern
    • 2 Langlöcher in der Gehäuserückwand unterhalb des Wärmeübertragers
  • Leistungsaufnahme und Anschlussdimensionierung
    • Elektrische Leistungsaufnahme des gesamten Gerätes bei Nennvolumenstrom 250 m³/h < 44 W
    • Zur Dimensionierung der Anschlussleitung: Anschlussleistung von 226 VA zu berücksichtigen
  • Integrierter Kreuzstrom-Wärmerückgewinner:
    • Seewasserbeständige Aluminiumausführung
    • Hoher Wirkungsgrad: Rückwärmzahl > 52 %
    • Inklusive Kondensataufnahme und Ableitung
  • Mit elektromotorischem Bypass:
    • Führt einen Teilluftvolumenstrom an der WRG vorbei
    • Stellantrieb 24 V (stetig) 0 – 100 %
    • Ansteuerung über geräteinterne Einzelraumregelung
  • Außenluftfilter als Mini-Pleat-Filter Klasse ePM1 (Feinstaubfilter):
    • Filterklasse nach ISO 16890: ISO ePM1 65 %
    • Eurovent-zertifiziert
    • Aus hochwertigem, nassfestem Glasfaserpapier
    • In enge Falten gelegt
    • Abstandshalter:
      • Aus thermoplastischen Schmelzkleber
      • Gleichmäßiger Abstand der Falten zueinander (4 mm)
  • Rahmen aus feuchtigkeitsbeständigem Vlies mit Auszuglaschen
  • Rahmen darf den Durchströmquerschnitt nicht verkleinern (Filtergröße = Durchströmquerschnitt)
  • Filterfläche ≥ 2,96 m²
  • Abluftfilter (Grobstaubfilter) als Flachfiltermedium, Filterklasse nach ISO 16890: ISO Coarse 75 %

2
  • 2-Leiter-Aluminium-Kupferrohr-Wärmeübertrager zur Lufterwärmung:
    • Abgestimmt auf die projektspezifischen Daten
    • Zur Reinigung leicht abnehmbar (entscheidend ist die bauseitige Anbindung an die Hauptverrohrung, nicht Lieferumfang TROX)
    • Entleerungs- und Entlüftungsmöglichkeit pro Heiz-/Kühlkreislauf
  • Reinigung des Wärmeübertragers:
    • Für eine einfache Entnahme: Wir empfehlen eine Anbindung an das bauseitige Rohrnetz mit flexiblen Schläuchen (nicht Lieferumfang TROX)
    • Übergabepunkte sind die Anschlüsse am Wärmeübertrager, ½" flach dichtend mit Überwurfmutter
  • Übergabepunkt zum bauseitigen Gewerk Heizung/Sanitär:
    • Handfest vormontierte Regelkomponenten
  • Übergabe mit Außengewinde ½" flach dichtend
    • Im Rücklauf: Ventil inklusive Stellantrieb
    • Im Vorlauf: Rücklaufverschraubung
  • Wir empfehlen zusätzliche Absperrvorrichtungen in den bauseitigen Zuleitungen

KO
  • Leicht reinigbare Kondensatwanne ohne Kondensatableitung: aus verzinktem Stahlblech pulverbeschichtet (RAL 9005)

KM
  • Leicht reinigbare Kondensatwanne mit Kondensatableitung: Ø 12 x 1 mm aus verzinktem Stahlblech pulverbeschichtet (RAL 9005)

Nenngröße
  • Breite: ca. 397 mm
  • Höhe: ca. 2160 mm (ohne Justierfußbereich, ohne Befestigungslasche)
  • Tiefe: ca. 359 mm (ohne Fassadenandichtung)

C3
Mit FSL-CONTROL III:
  • Einzelraumregler zur DIN-Schienen-Montage im Gerät oder in separatem Regelungsgehäuse
  • Integrierte microSD-Karte als Flashspeichermedium
    • Mindestens 2 GB Speicherplatz
    • Speichert die Trenddaten
    • Abrufbar über RJ45-Anschlussbuchse
  • Für eine einfache Master-Slave-Kommunikation über Modbus RTU
  • Anschluss von bis zu 10 Slavegeräten an ein Mastergerät
  • Software:
    • 3 Betriebsmodi: Aus, Automatik, Handbetrieb
    • 3 Betriebsarten: Anwesend, Abwesend, Standby
    • 4 Betriebsartenübersteuerungen: Boost, Klausur, Nachtlüftung, Lüfterzwangsschaltung
  • Grundsätzliche Unterscheidung zwischen Raumtemperaturregelung durch Ansteuerung von Heiz- und Kühlventilen bzw. stetiger Bypassklappe oder Zulufttemperaturregelung für isothermen Lüftungsbetrieb
  • Ganzjährige WRG-Nutzung

MA
Regelungsfunktion Master
  • Softwarepaket speziell für dezentrale Lüftungsgeräte entwickelt
  • Werkseitig ausgestattet
  • Für Mastergeräte konfiguriert
  • 42 digitale bzw. analoge Ein- und Ausgänge
  • CO2-geführte Luftqualitätsregelung
  • Alarmmeldungen: Typ A (Abschaltungen) und Typ B (Benachrichtigungen)

SL
Regelungsfunktion Slave
  • Softwarepaket speziell für dezentrale Lüftungsgeräte entwickelt
  • Werkseitig ausgestattet
  • 28 digitale bzw. analoge Ein- und Ausgänge

T
Nur mit Regelungsfunktion MA
Real-Time-Clock (RTC/Echtzeituhr):
  • Bestandteil des Master-Software-Pakets
  • Ermöglicht ein einfaches Zeitprogramm
    • 7 Tage mit jeweils 10 Schaltpunkten
    • Automatische Sommer-/Winterzeitumschaltung
    • Zeitliche Aktivierung der Nachtauskühlung

MT
Mit Modbus TCP
Modbus-TCP-Schnittstelle (Ethernet):
  • FSL-CONTROL III bietet die Möglichkeit, via Modbus-TCP-Protokoll in eine bauseitige MBE/GA integriert zu werden
  • Zur Visualisierung durch das X-TAIRMINAL notwendig
  • Zusätzlich inklusive Webserver zur vereinfachten Konfiguration, Inbetriebnahme und Fernüberwachung des Gerätes

BI
Mit BACnet IP
BACnet-IP-Schnittstelle (Ethernet):
  • FSL-CONTROL III bietet die Möglichkeit, via BACnet-IPProtokoll in eine bauseitige MBE/GA integriert zu werden
  • Zusätzlich inklusive Webserver zur vereinfachten Konfiguration, Inbetriebnahme und Fernüberwachung des Gerätes

MR
Nur mit Regelungsfunktion MA
Mit Modbus RTU
Modbus-RTU-Schnittstelle (RS485):
  • FSL-CONTROL III bietet die Möglichkeit, via Modbus RTU in eine bauseitige MBE/GA integriert zu werden

BM
Nur mit Regelungsfunktion MA
Mit BACnet MS/TP
BACnet-MS/TP-Schnittstelle (RS485):
  • FSL-CONTROL III bietet die Möglichkeit, via BACnet MS/TP in eine bauseitige MBE/GA integriert zu werden

C
Nur mit Regelungsfunktion MA
Luftqualitätsfühler
Mit CO2-Sensor:
  • Bestandteil des Mastergerätes
  • In der Abluftansaugung angeordneter Sensor zur Erfassung der Raumluftqualität und entsprechender Steuerung des Außenluftvolumenstroms
  • Messung über einen NDIR-Sensor, der auf Infrarotbasis arbeitet und durch sein 2-Strahl-Messprinzip etwaige Verschmutzungen kompensiert
  • Messbereich 0 – 2000 ppm

V
Nur mit Regelungsfunktion MA
Luftqualitätsfühler


Mit VOC-Sensor
  • Erfassung einer breiten Palette von VOC-Emissionen, die mit dem CO2-Gehalt der Raumluft korrelieren
  • TVOC mit Autokalibration
  • Stoffe in der Raumluft, die erfasst werden: Alkohole, Aldehyde, aliphatische Kohlenwasserstoffe, Amine, aromatische Kohlenwasserstoffe, CO, CH4, Flüssiggas, Ketone, organische Säuren
  • Erfassungsbereich: 0 – 2000 ppm, VOC- und CO2-Äquivalent
  • Selbsttest und automatische Nullpunktkorrektur

Z
Mit Zulufttemperaturfühler
  • Zulufttemperaturfühler mit NTC-Thermistor als Fühlerelement
    • Widerstand 10 kΩ bei 25 °C
    • Messbereich -35 – 105 °C
    • Besonders schnelle Reaktionszeit durch gelochte Messspitze

A
Mit Außenlufttemperaturfühler (nur mit Regelungsfunktion MA)
  • Außenlufttemperaturfühler mit NTC-Thermistor als Fühlerelement
    • Widerstand 10 kΩ bei 25 °C
    • Messbereich -35 – 105 °C

HV
Thermoelektrischer Ventilstellantrieb:
  • Zum Öffnen und Schließen von Ventilen
    • Mit Stellungsanzeige
    • Inklusive steckbarer Anschlussleitung
    • Betriebsspannung 24 V DC
    • Steuerspannung 0 – 10 V DC
    • Leistungsaufnahme 1 W
    • Schutzart: IP 54

HVE
Elektromotorischer Ventilstellantrieb
  • Zum Öffnen und Schließen von Ventilen
    • Betriebsspannung 24 V AC/DC
    • Maximale Leistungsaufnahme 2,5 VA
    • Ansteuerung Stellsignal 3-Punkt DC 0 – 10 V
    • Zulässige Medientemperatur 1 – 110 °C

R
Rücklaufverschraubung
  • Zur Regulierung und Absperrung
    • Ventilgehäuse Durchgangsform
    • Außengewinde beidseitig ½" flach dichtend
    • Handfest vormontiert
    • Nennweite DN 15
    • Medientemperatur maximal 120 °C

0,25
Durchgangskleinventil:
  • Ventilgehäuse Durchgangsform
    • Außengewinde beidseitig ½" flach dichtend
    • Handfest vormontiert
    • PN 16
    • DN 10
    • Kvs 0,25
    • Medientemperatur 1 – 110 °C

0,40
Durchgangskleinventil:
  • Ventilgehäuse Durchgangsform
    • Außengewinde beidseitig ½" flach dichtend
    • Handfest vormontiert
    • PN 16
    • DN 10
    • Kvs 0,40
    • Medientemperatur 1 – 110 °C

0,63

Durchgangskleinventil:

  • Ventilgehäuse Durchgangsform
    • Außengewinde beidseitig ½" flach dichtend
    • Handfest vormontiert
    • PN 16
    • DN 10
    • Kvs 0,63
    • Medientemperatur 1 – 110 °C

1,00
Durchgangskleinventil:
  • Ventilgehäuse Durchgangsform
    • Außengewinde beidseitig ½" flach dichtend
    • Handfest vormontiert
    • PN 16
    • DN 10
    • Kvs 1,00
    • Medientemperatur 1 – 110 °C

F0,50
Druckunabhängiges Regelventil
  • Ventilgehäuse Durchgangsform
    • Außengewinde beidseitig ½" flach dichtend
    • Handfest vormontiert
    • Mit modulierender Auf-Zu-Regelung in Kombination
    • mit einem von außen einstellbaren, dynamischen Volumenstromregler
    • Mit voller Ventilautorität
    • Nennweite DN 10
    • Medientemperatur 0 – 120 °C

Ersatzfilterset
  • Abluftfilter: Filtermatte
  • Außenluftfilter: Mini-Pleat-Filter
SA-V21KO/397 x 2160 x 359/C3MAT/MR/C/Z/A/HVR0,40
||||||||||||||||
12345678910111213141516

1 Serie
SA-V vertikales dezentrales Lüftungsgerät X-CUBE/SCHOOLAIR-V

2 Variante
Keine Eintragung: Standard


3 Wärmeübertrager
2 2-Leiter

4 Wärmeübertragerausführung
Ausführung angeben (technische Auslegung mit TROX EPF oder TROX CONFIGURATOR)

5 Ausführung
KO
ohne Kondensatablauf
KM mit Kondensatablauf

6 Nenngröße [mm]
Breite x Höhe x Tiefe
397 x 2160 x 359

7 Regelung
OR ohne Regelung
C3 mit FSL-CONTROL III

8 Regelungsfunktion
MA Master
SL Slave

9 Echtzeituhr
Nur mit Regelungsfunktion MA
Keine Eintragung: ohne Echtzeituhr
T mit Echtzeituhr

10 Schnittstelle
Keine Eintragung: ohne Schnittstelle
MT mit Modbus TCP
MR mit Modbus RTU (nur mit Regelungsfunktion MA)
BI mit BACnet IP
BM mit BACnet MS/TP (nur mit Regelungsfunktion MA)

11 Luftqualitätsfühler
Nur mit Regelungsfunktion MA
Keine Eintragung: ohne Luftqualitätsfühler
C mit CO2-Sensor
V mit VOC-Sensor

12 Zulufttemperaturfühler
Z
mit Zulufttemperaturfühler

13 Außenlufttemperaturfühler
Nur mit Regelungsfunktion MA
Keine Eintragung: ohne Außenlufttemperaturfühler
A mit Außenlufttemperaturfühler

14 Heizventil
HV
mit thermoelektrischem Antrieb
HVE mit elektromotorischem Antrieb

15 Rücklaufverschraubung Heizkreis
R
mit Rücklaufverschraubung

16 Kvs-Wert Heizventil
0,25
(Durchgangsventil)
0,40 (Durchgangsventil)
0,63 (Durchgangsventil)
1,00 (Durchgangsventil)
F0,50 (druckunabhängiges Regelventil)

Bestellbeispiel: SA-V-2-1-KO/397x2160x359/C3-MA-T/MR/C/Z/A/HV-R-0,40

SerieSA-VDeckenlüftungsgerät X-CUBE/SCHOOLAIR-V
Variante-Standard
Wärmeübertrager22-Leiter
Wärmeübertragerausführung 1Wärmeübertrager Typ 1
AusführungKOohne Kondensatablauf
Nenngröße [mm]397x2160x359Breite 397, Höhe 2160, Tiefe 359
RegelungC3mit FSL-CONTROL III
RegelungsfunktionMAMaster
EchtzeituhrTmit Echtzeituhr
SchnittstelleMRmit Modbus RTU
LuftqualitätsfühlerCmit CO2-Sensor
ZulufttemperaturfühlerZmit Zulufttemperaturfühler
AußenlufttemperaturfühlerAmit Außenlufttemperaturfühler
HeizventilHVmit thermoelektrischem Antrieb
Rücklaufverschraubung HeizkreisRmit Rücklaufverschraubung
Kvs-Wert Heizventil0,400,40 (Durchgangsventil)

Downloads

Produktinfos

Zertifikate

Betriebsanleitungen

production {"x-frame-options"=>"SAMEORIGIN", "x-xss-protection"=>"1; mode=block", "x-content-type-options"=>"nosniff", "x-download-options"=>"noopen", "x-permitted-cross-domain-policies"=>"none", "referrer-policy"=>"strict-origin-when-cross-origin", "strict-transport-security"=>"max-age=31536000; includeSubDomains", "content-type"=>"text/html; charset=utf-8"}

Seite teilen

Diese Seite weiterempfehlen

Hier haben Sie die Möglichkeit diese Seite als Link weiter zu empfehlen.

Mit Stern (*) markierte Felder sind Pflichtfelder.

Kontakt

Vielen dank für Ihre Nachricht!

Ihre Empfehlung wurde verschickt und sollte jeden Moment beim Empfänger eingehen.

Kontakt

Wir sind für Sie da

Bitte spezifizieren Sie das Thema Ihrer Anfrage und Ihre Kontaktdaten.
Tel.: +49 (0)2845 / 202-0 | Fax: +49 (0)2845/202-265

Mit Stern (*) markierte Felder sind Pflichtfelder.

Kontakt

Vielen Dank für Ihre Nachricht!

Ihre Nachricht in ist unserem Service Center eingegangen und wird bearbeitet.
Unsere Abteilung für Service-Anfragen wird sich in Kürze mit Ihnen in Verbindung setzten.
Für allgemeine Fragen zu Produkten und Services erreichen Sie uns auch unter:
Tel.: +49 (0)2845 / 202-0 | Fax: +49 (0)2845/202-265

Kontakt

Wir sind für Sie da

Bitte spezifizieren Sie das Thema Ihrer Anfrage und Ihre Kontaktdaten.
Tel.: +49 (0)2845 / 202-0 | Fax: +49 (0)2845/202-265

Anhang (max. 10MB)

Mit Stern (*) markierte Felder sind Pflichtfelder.

Kontakt

Vielen Dank für Ihre Nachricht!

Ihre Nachricht in ist unserem Service Center eingegangen und wird bearbeitet.
Unsere Abteilung für Service-Anfragen wird sich in Kürze mit Ihnen in Verbindung setzten.
Für allgemeine Fragen zu Produkten und Services erreichen Sie uns auch unter:
Tel.: +49 (0)2845 / 202-0 | Fax: +49 (0)2845/202-265