SCHOOLAIR-B_img_06psd.png
SCHOOLAIR-B

doc_graphic_000009.png

Konform nach VDI 6022

SCHOOLAIR-B_img_08psd.png
Filterdeckel

Filterdeckel

SCHOOLAIR-B_img_07psd.png
Wasseranschluss

Wasseranschluss

SCHOOLAIR-B_img_03psd.png
Justierfuß

Justierfuß

SCHOOLAIR-B_img_06psd.png
doc_graphic_000009.png
SCHOOLAIR-B_img_08psd.png
SCHOOLAIR-B_img_07psd.png
SCHOOLAIR-B_img_03psd.png

X-CUBE SCHOOLAIR-B  

Zu- und Abluftgerät mit Umschaltmöglichkeit auf Sekundärluftbetrieb, inklusive Kreuzstrom-Wärmerückgewinner und Wärmeübertrager zum Einbau vor der Brüstung

 Anschlussfertiges dezentrales Lüftungsgerät zur komfortablen Raumtemperierung sowie Be- und Entlüftung von Räumen wie z. B. Unterrichts- oder Besprechungsräumen

  • Akustisch optimierte EC-Ventilatoren mit niedriger spezifischer Ventilatorleistung, nach EN 13779 SFP = 1
  • Kreuzstrom-Wärmerückgewinner (Rückwärmzahl 60 %)
  • Hocheffizienter Wärmeübertrager zum Heizen und Kühlen als 2- oder 4-Leiter-System
  • Anschluss des Wärmeübertragers raumseitig rechts
  • Kondensatwanne mit Kondensatanschluss (raumseitig rechts)
  • Ganzjährige Nutzung der Wärmerückgewinnung möglich (Kondensatanschluss bauseits notwendig)
  • Reduzierung der Feinstaub- und Pollenbelastung durch integrierte Luftfilter gemäß VDI 6022 – Filterklasse ISO ePM1 65 % und Abluft ISO Coarse 55 %
  • Werkzeugloser Filterwechsel
  • Motorisierte Absperrklappen, stromlos geschlossen
  • Montage während des Schulbetriebs möglich

Optionale Ausstattung und Zubehör

  • Speziell auf dezentrale Lüftungsgeräte ausgelegte und modular aufgebaute Regelung FSL-CONTROL III
  • Holzverkleidung als Raumlösung in diversen Farben inklusive TROX Lüftungsgittern für Zu- und Abluft (Selbstbausatz)

 


 


 


 

Technische Information

Funktion, Technische Daten, Schnellauslegung, Ausschreibungstext, Bestellschlüssel

  • FUNKTION
  • TECHNISCHE DATEN
  • SCHNELLAUSLEGUNG
  • AUSSCHREIBUNGSTEXT
  • BESTELLSCHLÜSSEL

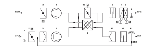
Dezentrale Zu- und Abluftgeräte be- und entlüften den Raum. Sie decken die Kühl- und Heizlast gemäß den technischen Daten ab.
Die Außenluft wird von einem EC‑Radialventilator angesaugt und strömt durch die motorisierte Absperrklappe sowie durch den Außenluftfilter.
Danach strömt die Außenluft durch den Kreuzstrom-Wärmerückgewinner, der in energetisch sinnvollen Betriebssituationen und zum Geräteschutz
abgeschaltet werden kann.
Bevor die Zuluft quellluftartig in den Raum strömt, wird sie bei Bedarf im Wärmeübertrager noch geheizt bzw. gekühlt (optional bei 4-Leiter Geräten).
Die Abluft strömt durch den Außenluftfilter, bevor sie durch den Wärmerückgewinner, den Abluftventilator und die motorisierte Absperrklappe als Fortluft ins Freie gefördert wird.
Bei ausreichend guter Raumluftqualität schaltet die FSL‑CONTROL III Regelung durch Schließen der Außenluftklappen in den energetisch sinnvollen Sekundärluftbetrieb.
Die Regelung vergleicht dabei die Soll-Werte der Raumluftqualität mit den am CO2‑Sensor gemessenen Ist-Werten und schaltet automatisch zwischen Außenluft- und Sekundärluftbetrieb um.
Zum Brandschutz, Frostschutz und zur Vermeidung von Zugluft werden bei Stromausfall die Außenluft- und Fortluftklappe zugefahren. Hierzu besitzen die Stellantriebe einen Energiespeicher.

Die Zuluft strömt mit mittlerer Geschwindigkeit von 1,0 – 1,5 m/s fassadennah in den Raum. Durch die Induktionswirkung werden die Geschwindigkeiten bereits kurz nach dem Lufteintritt in den Raum abgebaut, so dass sich die Zuluft im Kühlfall über die gesamte Bodenfläche quellluftartig ausbreitet.

An Wärmequellen wie Menschen und Geräten bildet sich durch natürliche Konvektion eine Auftriebsströmung, so dass primär in diesen Bereichen die Luft ausgetauscht wird.

Breite

1590 mm

Höhe

646 mm

Tiefe

420 mm

Volumenstrom

150, 200, 250 m³/h (Boost 320 m³/h)

Nennvolumenstrom

250 m³/h

Schallleistungspegel

29 – 43 dB(A)

Wärmerückgewinnungsgrad

60 %

maximaler Betriebsdruck wasserseitig6 bar
maximale Betriebstemperatur75 °C
Versorgungsspannung230 V AC ±10 %, 50/60 Hz
Anschlussleistung

238 VA

Gewicht

80 kg

X-CUBE/SCHOOLAIR-B: Wärmeübertragerausführung Typ 3 (2-Leiter Ausführung – aktiv heizen)

Zuluftvolumenstromm³/h

150

200

250

320

GesamtheizleistungW

2520

3350

4250

5290

RaumheizleistungW

706

934

1224

1422

Temperatur der Luft im Gerät°C

-12,0

-12,0

-12,0

-12,0

Zulufttemperatur°C

32,5

32,4

33,0

31,8

Warmwassermengel/h

70

100

150

200

Wassereintrittstemperatur°C

50

50

50

50

Wasseraustrittstemperatur°C

18,7

20,9

25,3

27,0

Druckverlust wasserseitigkPa

0,7

1,3

2,6

4,4

Schallleistungspegel LWA

dB(A)

29

34

38

43

Schalldruckpegel inkl. 8 dB SystemdämpfungdB(A)

21

26

30

35

Wirkleistung Pel

W

24

30

40

56

Luftseitige Daten Heizbetrieb:

  • Temperatur/relative Feuchte Außenluft: -12 °C/90 %
  • Temperatur/relative Feuchte Raumluft: 20 °C/35 %

X-CUBE/SCHOOLAIR-B: Wärmeübertragerausführung Typ 2  (2-Leiter Ausführung – isotherme Zulufteinbringung)

Zuluftvolumenstromm³/h

150

200

250

320

GesamtheizleistungW

1900

2500

3150

4020

RaumheizleistungW

90

75

122

145

Temperatur der Luft im Gerät°C

-12,0

-12,0

-12,0

-12,0

Zulufttemperatur°C

21,6

21,0

21,3

21,2

Warmwassermengel/h

50

70

100

150

Wassereintrittstemperatur°C

50

50

50

50

Wasseraustrittstemperatur°C

16,9

19,0

22,6

26,7

Druckverlust wasserseitigkPa

0,8

1,5

2,8

5,7

Schallleistungspegel LWA

dB(A)

29

34

38

43

Schalldruckpegel inkl. 8 dB SystemdämpfungdB(A)

21

26

30

35

Wirkleistung Pel

W

24

30

40

56

Luftseitige Daten Heizbetrieb:

  • Temperatur/relative Feuchte Außenluft: -12 °C/90 %
  • Temperatur/relative Feuchte Raumluft: 20 °C/35 %

X-CUBE/SCHOOLAIR-B: Wärmeübertragerausführung  Typ 2 (4-Leiter Ausführung)

Zuluftvolumenstrom

m³/h

150

200

250

320

GesamtkühlleistungW

690

910

1150

1450

RaumkühlleistungW

384

512

640

799

Temperatur der Luft im Gerät°C

32,0

32,0

32,0

32,0

relative Feuchte

%

40

40

40

40

Wassergehalt der trockenen Luft

g/kg

11,911,911,911,9
Zulufttemperatur°C

18,0

18,0

18,0

18,2

Kondensatg/h

0

0

0

0

Kaltwassermengel/h

88

118

155

200

Wassereintrittstemperatur°C16161616
Wasseraustrittstemperatur°C

22,7

22,7

22,4

22,2

Druckverlust wasserseitigkPa

1,5

2,6

4,2

6,6

GesamtheizleistungW

2300

3080

3670

4360

RaumheizleistungW

486

655

640

494

Temperatur der Luft im Gerät°C

-12,0

-12,0

-12,0

-12,0

Zulufttemperatur°C

28,6

28,7

26,8

24,1

Warmwassermengel/h

90

150

180

200

Wassereintrittstemperatur°C

50

50

50

50

Wasseraustrittstemperatur°C

27,8

32,2

32,3

31,0

Druckverlust wasserseitigkPa

0,7

1,8

2,5

3,0

Schallleistungspegel LWA

dB(A)

29

34

38

43

Schalldruckpegel inkl. 8 dB SystemdämpfungdB(A)

21

26

30

35

Wirkleistung Pel

W

24

30

40

56

Luftseitige Daten Kühlbetrieb:

  • Temperatur/relative Feuchte Außenluft: 32 °C/40 %
  • Temperatur/relative Feuchte Raumluft: 26 °C/50 %
     

Luftseitige Daten Heizbetrieb:

  • Temperatur/relative Feuchte Außenluft: -12 °C/90 %
  • Temperatur/relative Feuchte Raumluft: 20 °C/35 %

 

X-CUBE/SCHOOLAIR-B-2/KR/1590×646×420/C3

Schullüftungsgerät – Brüstungseinbau – MASTERGERÄT

Bitte beachten:

Die beschriebene Brüstungslüftungsgerätevariante ist mit einer im Gerät integrierten Einzelraumregelung ausgestattet.

Die gelieferten Regler beinhalten die Parameter der Standardregelung für einen Betrieb gemäß unserer Regelungsbeschreibung



 Brüstungslüftungsgerät TROX X-CUBE/SCHOOLAIR-B mit Zu- und Abluftfunktion und Umschaltmöglichkeit auf Sekundärluftbetrieb (luftqualitätsabhängig), Wärmerückgewinnung sowie Heizfunktion zum Einbau vor der Brüstung unterhalb der Fensterbank:



  • Gerätegehäuse aus verzinktem Stahlblech, Deckel und Blechverbindungen über Gewindetiefzüge und Edelstahlkreuzschlitzschrauben, alle notwendigen internen Luftkanalführungen abgedichtet und ausgekleidet, interne Elektrokabeldurchführungen abgedichtet, Sichtflächen pulverbeschichtet (RAL 9005, Tiefschwarz)
  • Schall- und wärmedämmende Auskleidung auf Saug- und Druckseite aus glasseidenkaschierter Mineralwolle (Baustoffklasse A, nicht brennbar nach DIN 4102, T1), abriebfest bis Luftgeschwindigkeiten von 20 m/s, oder geschlossenporigem Dämmstoff
  • Das Gerät entspricht den hygienischen Anforderungen der VDI 6022
  • Höhenverstellbaren Stellfüße, +40 mm, zum Ausgleich von Rohbautoleranzen
  • Beidseitig angeordnete Langlochlaschen zur Befestigung an der Wand bzw. Brüstung
  • Anschluss an die bauseitigen Außenluft- und Fortluftöffnungen an die Bestandsfassade durch umlaufendes geschlossenporiges Dichtband auf der Geräterückseite, d = 10mm, der Ansaug- und Ausblaswiderstand der bauseitigen Konstruktion sollte bei Nennvolumenstrom 20 Pa nicht überschreiten
  • Einsatz von 2 energiesparenden EC-Radialgebläsen, Zu- und Abluftventilator eingestuft in Kategorie SFP 0 (< 300 W/(m³/s)) nach DIN EN 16798-3:2017-11, elektrische Leistungsaufnahme des gesamten Gerätes bei Nennvolumenstrom 250 m³/h < 40 Watt, zur Dimensionierung der Anschlussleitung ist eine Anschlussleistung von 238 VA zu berücksichtigen
  • Geeignet für 3 Drehzahlstufen (150, 200 und 250 m³/h sowie Boost-Stufe mit 320 m³/h), Ansteuerung über geräteinterne Einzelraumregelung, Volumenstromstufenkorrektur durch Anpassung der Steuerspannung nachträglich möglich
  • Erfüllt alle Anforderungen der EU-Verordnung 1253/2014 (Erp-Richtlinie)
  • Schallleistungspegel im Zu- und Abluftbetrieb bei 150/200/250/320 m³/h = 29/34/38/43 dB(A) (entspricht bei einer Systemdämpfung von 8 dB einem Schalldruckpegel von = 21/26/30/35 dB(A)). Die Angaben der Messungen beziehen sich auf Schallleistungsmessungen eines Einzelgerätes in einem Hallraum entsprechend der Genauigkeitsklasse 1. Je nach Einbausituation sind Abweichungen möglich
  • Integrierter rekuperativer Kreuzstrom-Wärmeübertrager (WRG) zur Wärmerückgewinnung in seewasserbeständiger Aluminiumausführung, mit hohem Wirkungsgrad aufgrund spezieller Plattenstruktur, Plattenabständen und Paketlänge, inklusive Kondensatwanne und Ableitung in die Kondensatwanne des Wärmeübertragers
  • Mit elektromotorischem Bypass, der einen großen Teilluftvolumenstrom an der WRG bypassen lässt, Antrieb 24 V (stetig), Ansteuerung über geräteinterne Einzelraumregelung
  • Motorische Absperrklappen in Außen-/und Fortluftbereich, stromlos geschlossen im inaktiven Zustand durch Energiespeicher, Antrieb 230 V, Auf/Zu, Ansteuerung über geräteinterne Einzelraumregelung
  • Automatische Umschaltung auf Sekundärluftbetrieb (nur in Verbindung mit Luftqualitätssensor) erfolgt, sofern die Raumluftqualität (gemessen am z. B. geräteinternen CO2-Sensor) innerhalb der zuvor definierten Grenzwerte liegen. Dazu werden die Außenluftklappen zugefahren, die selbsttätige Sekundärluftklappe öffnet sich und der Abluftventilator wird abgeschaltet.
  • Im Gerät enthaltene elektrische Komponenten komplett verdrahtet mit FSL-CONTROL III, Regelkomponenten werden im Gerät integriert. Kabel zum bauseitigen Anschluss (Anschluss nicht Lieferumfang TROX) der Spannungsversorgung (L, N, PE) mit Aderendhülsen ca. 1 Meter aus dem Gerät herausgeführt: Als Übergabestelle zum bauseitigen Gewerk Elektro:
    • Spannungsversorgung (230 V): 3 Adern, 3 x 1,5 mm² (L, N, PE)
  • Anschlussmöglichkeit für Buskommunikation (optional), Anschluss Raumbediengerät etc. nach Öffnung des Kundenbereichs der Regelung. Als Übergabestelle zum bauseitigen Gewerk Messen/Steuern/Regeln:
    • Reihenklemmen Typ Wago 260 für den bauseitigen Anschluss von
      • Digitalen Eingängen DI
      • Digitalen Ausgängen DO
      • Master-Slave-Verbindung RS485
      • Optionale Integration in MBE/GA via RS485 (Modbus/BACnet)
      • Raumbediengerät
      • RJ45-Buchse als Servicezugang zur Bedienoberfläche
      • Optionale Integration in eine bauseitige MBE/GA via Ethernet (Modbus/BACnet)
  • Folgende Fühler werden zur Steuerung der Einzelraumregelung im Gerät angeordnet (die Raum-Ist-Temperatur wird am Raumbediengerät erfasst):
    • Raumluftqualitätssensor CO2
    • Zulufttemperaturerfassung nach dem Wärmeübertrager
    • Außenlufttemperaturerfassung in der Außenluftansaugung
  • 2-Leiter-Wärmeübertrager zur Lufterwärmung, zur Reinigung leicht entnehmbar, Entleerungs- und Entlüftungsmöglichkeit im Heizkreislauf. Wir empfehlen eine Anbindung an das bauseitige Rohrnetz mit flexiblen Schläuchen, um den Wärmeübertrager zur Reinigung leicht entnehmen zu können
  • Übergabepunkt des Wärmeübertragers sind die Überwurfmuttern, an die die Regelkomponenten (im Rücklauf Ventil inklusive Stellantrieb, im Vorlauf Rücklaufverschraubung) handfest vormontiert sind
  • Leicht reinigbare Kondensatwanne mit Kondensatableitung mit Ablauf Ø 12 x 1 [mm] aus verzinktem Stahlblech (pulverbeschichtet, RAL 9005)
  • Außenluftfilter als Plisseefilter Klasse ePM1 (Feinstaubfilter):
    • Filterklasse nach ISO16890: ISO ePM1 65 %
    • Eurovent zertifiziert
    • ePM1 Filtermedien aus hochwertigem, nassfestem Glasfaserpapier sind in enge Falten gelegt, die Abstandshalter sind aus thermoplastischen Schmelzkleber und sorgen für einen gleichmäßigen Abstand (4 mm) der Falten zueinander
    • Der Rahmen ist aus feuchtigkeitsbeständigem Vlies mit Auszuglaschen und darf den Durchströmquerschnitt nicht verkleinern (Filtergröße = Durchströmquerschnitt)
    • Filterfläche >= 2,90 m²
  • Abluftfilter Klasse G3 (Grobstaubfilter) als Flachfiltermedium, Filterklasse nach ISO16890: ISO Coarse 85 %
  • Schneller Wechsel der Filter möglich, da sich Filtereinschub nach Öffnung der bauseitigen Verkleidung über bedienerfreundliche Vierteldrehverschlüsse werkzeugfrei öffnen lässt (Zugänglichkeit darf von der bauseitigen Brüstungsverkleidung nicht eingeschränkt werden)
  • Auflagemöglichkeit einer bauseitigen Fensterbank, Ansaugung der Abluft unterhalb der Fensterbank erfolgt an der Geräteoberseite
  • Geschlossenporige Dichtbänder zur Abdichtung und Anpassung an die bauseitige Verkleidung nicht Lieferumfang TROX
  • Die bauseitige Brüstungsverkleidung (Lieferumfang durch TROX auf Anfrage möglich) erhält Perforationen in festzulegenden Bereichen des Heizkörpers für die Zulufteinbringung in den Raum und darf auf der Gerätevorderseite Wartungsarbeiten sowie Gerätemontage/-Demontage nicht einschränken. Auf der Verkleidungsoberseite befindet sich ebenfalls eine Perforation in festzulegenden Bereichen zur Abluftansaugung
  • Lichter Abstand Vorderkante Gerät zur Innenkante der Brüstungsverkleidung ca. 30 mm
  • Die Gerätefront muss nach Demontage der bauseitigen Verkleidung komplett zugänglich sein

Geräte – Abmessungen und Gewicht:

Breite: ca. 1590 mm (inkl. Befestigungslaschen)

Höhe: ca. 646 mm (Stellfuß bis Geräteoberkante, zusätzlich Abstand für Abluftansaugung)
Tiefe: ca. 420 mm (ohne Fassadenandichtung)
Gewicht: ca. 80 kg

FSL-CONTROL III Regler

Inklusive Regelsystem FSL-CONTROL III, wie nachfolgend beschrieben:

FSL-CONTROL III ist als autarke Einzelraumregelung mit einfachem Zeitprogramm beschrieben. Optionale Erweiterungen, wie z. B. Integration in eine bauseitige MBE/GA via Modbus TCP, Modbus RTU, BACnet MS/TP oder BACnet IP, Feuchtesensorik, Rücklauftemperaturfühler, elektromotorische Ventilantriebe oder druckunabhängige Regelventile, sind im Lieferprogramm enthalten, müssen aber in der folgenden Beschreibung gegen die Standardkomponenten ausgetauscht werden. Zudem wird ein Raumtemperatursignal benötigt. Dazu stehen verschiedene Raumbediengeräte und Fühler zur Auswahl. Die zugehörigen optionalen Ausstattungstextbausteine finden Sie im Anhang der nachfolgenden Standardausstattung für raumautarken Betrieb  - siehe Optionales Regelungszubehör. Wir empfehlen eine Inbetriebnahme durch TROX. Zugehörige Textbausteine finden Sie weiter unten.

TROX Regelmodul FSL-CONTROL III (Bestellschlüssel ...-C3-MA ...):

  • Einzelraumregler zur DIN-Schienen-Montage im Gerät oder in separatem Regelungsgehäuse
  • 42 digitale bzw. analoge Ein- und Ausgänge
  • Als Flashspeichermedium ist eine microSD-Karte mit mindestens 2 GB Speicherplatz integriert. Dort werden die Trenddaten gespeichert und sind über die RJ45-Buchse abrufbar
  • Werkseitig mit speziell für dezentrale Lüftungsgeräte entwickeltem Softwarepaket für Mastergeräte ausgestattet. Die Software ermöglicht eine einfache Master-Slave-Kommunikation über Modbus RTU
  • Es können bis zu 10 Slavegeräte an ein Mastergerät angeschlossen werden
  • Die Software stellt 3 Betriebsmodi (Aus, Automatik und Handbetrieb), 3 Betriebsarten (Anwesend, Abwesend und Standby) und 4 Betriebsartenübersteuerungen (Boost, Klausur, Nachtlüftung und Lüfterzwangsschaltung) zur Verfügung
  • Grundsätzliche Unterscheidung zwischen Raumtemperaturregelung durch Ansteuerung von Heiz- und Kühlventilen bzw. stetiger Bypassklappe oder Zulufttemperaturregelung für isothermen Lüftungsbetrieb
  • CO2-geführte Luftqualitätsregelung
  • Ganzjährige WRG-Nutzung
  • Filterüberwachung
  • Konfigurierbare DI für bauseitigen Anschluss von Präsenzmeldern, Fensterkontakten, Ferienschaltung etc.
  • Alarmmeldungen: Typ A (Abschaltungen) und Typ B (Benachrichtigungen)
     
RTC Echtzeituhr

Real-Time-Clock (RTC/Echtzeituhr) (Bestellschlüssel ...-T/...):

  • Bestandteil des Master-Software-Pakets
  • Ermöglicht ein einfaches Zeitprogramm
    • 7 Tage mit jeweils 10 Schaltpunkten
    • Automatische Sommer-/Winterzeitumschaltung
    • Zeitliche Aktivierung der Nachtauskühlung

CO2-Sensor

CO2-Sensor (Bestellschlüssel .../C/...):

  • In der Abluftansaugung des Mastergerätes angeordneter Sensor zur Erfassung der Raumluftqualität und entsprechender Steuerung des Außenluftvolumenstroms
  • Messung über einen NDIR-Sensor, der auf Infrarotbasis arbeitet und durch sein 2-Strahl-Messprinzip etwaige Verschmutzungen kompensiert
  • Messbereich 0 – 2000 ppm

Zulufttemperaturfühler

Zulufttemperaturfühler (Bestellschlüssel .../Z/...):

  • Zulufttemperaturfühler mit NTC-Thermistor als Fühlerelement, Widerstand 10 kΩ bei 25 °C, Messbereich -35 – 105 °C
  • Besonders schnelle Reaktionszeit durch gelochte Messspitze

Außenlufttemperaturfühler

Außenlufttemperaturfühler (Bestellschlüssel .../A/...):

  • Außenlufttemperaturfühler mit NTC-Thermistor als Fühlerelement, Widerstand 10 kΩ bei 25 °C, Messbereich -35 – 105 °C

Wasserseitige Komponenten

Wasserseitige Komponenten (Bestellschlüssel…/HV-R-…):

Ventilstellantrieb:

1 × thermoelektrischer Stellantrieb zum Öffnen und Schließen von Ventilen, mit Stellungsanzeige, inklusive steckbarer Anschlussleitung, Betriebsspannung 24 V DC, Steuerspannung 0 – 10 V DC, Leistungsaufnahme 1 W, Schutzart: IP 54

Durchgangsventil:

1 × Durchgangskleinventil ½" Standard, handfest vormontiert, PN 16, DN 10, kvs 0,4 (alternativ 0,25, 0,63 oder 1,0 m³/h – bitte nennen Sie uns den benötigten kvs-Wert), Ventilgehäuse Durchgangsform mit Außengewinde beidseitig ½“ flach dichtend, Medientemperatur 1 – 110 °C

Rücklaufverschraubung:

1 × Rücklaufverschraubung beidseitig ½“, handfest vormontiert, Nennweite DN 15; Ventilgehäuse Durchgangsform mit Außengewinde beidseitig ½“ flach dichtend, zur Regulierung und Absperrung, Medientemperatur maximal 120 °C

Optionales Regelungszubehör

Optionale Ausstattungsmöglichkeiten zur Komfortsteigerung der Regelung FSL-CONTROL III:

TROX Raumbediengeräte für FSL-CONTROL III

Je Raum wird mindestens ein Raumtemperatursignal benötigt. Es stehen von TROX diverse Varianten an Raumbediengeräten zur Verfügung, wahlweise mit oder ohne Stufenschaltung. Zusätzlich bieten wir einen Raumtemperaturfühler RTF ohne Bedienelemente an. Alternative bauseitige Raumbediengeräte müssen über eine Buskommunikation aufgeschaltet werden

Digitale Raumbediengeräte für Aufputzmontage:

Für die Bedienung und Einstellung der Lüftungsgeräte.

  • Lose als Beistellteil mitgeliefert. Anbindung an Mastergerät über Modbus serial line. Projektspezifische Software inklusive Sollwertsteller, diverser Statusanzeigen, Stufenschalter, CO2-Ampel. Berührungsempfindliches Farbdisplay 3,5", 320 × 240 Pixel. Sensor: NTC 10 kΩ. Schutzart: IP 20. Typ: Schneider TM172DCLWT. Abmessungen (H × B × T): 120 × 86 × 25 mm. Gewicht: 340 g. Farbe: weiß. Montage: Wandaufbau oder auf Standard-Unterputzdose. Versorgung: 24 V DC (inklusive passendem Schaltnetzteil für Unterputzmontage). Leistungsaufnahme: 3,2 VA/1,3 W. Optional weitere Designrahmen gegen Mehrpreis auf Anfrage erhältlich

Raumbediengeräte mit Stufenschalter für Aufputzmontage:

Raumbediengerät mit Stufenschaltung, Typ Thermokon, Aufputzmontage:

  • Lose als Beistellteil mitgeliefert, mit Raumtemperaturfühler, Sollwertversteller, Übersteuerungstaste, LED und 3-Stufenschalter sowie Aus und Automatik, Gehäuse aus PVC0 reinweiß (RAL 9010), Montage auf 60 mm Unterputzdose oder direkt auf der Wand, NTC-Thermistor als Fühlerelement, Widerstand 20 kΩ bei 25 °C, Abmessungen (B × H × T): 84,5 × 84,5 × 25 mm, Betriebstemperatur: -35 – 70 °C

Raumbediengeräte ohne Stufenschalter für Aufputzmontage:

Raumbediengerät ohne Stufenschalter, Typ Thermokon, Aufputzmontage:

  • Lose als Beistellteil mitgeliefert, mit Modusanzeige, Taster und Sollwertverstellung, Sensor NTC 20 kΩ, Schutzart: IP 20, Abmessungen (B × H × T): 84,5 × 84,5 × 25 mm

 Raumtemperaturfühler für Aufputzmontage:

Raumtemperaturfühler TROX RTF, Aufputzmontage

  • Lose als Beistellteil mitgeliefert, Raumfühler ohne Bedienelemente, Messbereich: -35 – 70 °C, Sensor NTC 10 kΩ, Anschlussklemme Schraubklemme, d = 1,5 mm, Schutzart IP 20, Montage Wandaufbau oder auf 70 mm Unterputzdose, Abmessungen (B × H × T): 85 × 85 × 30 mm, Gehäuse ABS in RAL 9010

Raumbediengeräte ohne Stufenschalter für Unterputzmontage:

Für die manuelle Bedienung der Lüftungsgeräte in hochwertiger Optik und den passenden Designrahmen aus verschiedensten Schalterprogrammen eignet sich das Gerät für besonders designorientierte Einrichtungen.

Raumbediengerät ohne Stufenschalter, Typ Thermokon, Unterputzmontage, Schalterprogramm Berker S.1 polarweiß

  • Lose als Beistellteil mitgeliefert, mit Modusanzeige, Taster und Sollwertverstellung, Sensor NTC 20 kΩ, Schutzart: IP 20
     

Raumbediengerät ohne Stufenschalter, Typ Thermokon, Unterputzmontage, Schalterprogramm Berker Q.3, weiß

  • Lose als Beistellteil mitgeliefert, mit Modusanzeige, Taster und Sollwertverstellung, Sensor NTC 20 kΩ, Schutzart: IP 20

Raumbediengerät ohne Stufenschalter, Typ Thermokon, Unterputzmontage, Schalterprogramm Busch-Jäger future linear, weiß

  • Lose als Beistellteil mitgeliefert, mit Modusanzeige, Taster und Sollwertverstellung, Sensor NTC 20 kΩ, Schutzart: IP 20

Weitere Schalterprogramme auf Anfrage.

Raumbediengeräte ohne Stufenschalter und ohne Sollwertsteller für Unterputzmontage:

Raumbediengerät ohne Stufenschalter und ohne Sollwertsteller, Typ Thermokon, Unterputzmontage, Schalterprogramm Gira E2

  • Lose als Beistellteil mitgeliefert, mit Modusanzeige und Taster, Sensor NTC 20 kΩ, Schutzart: IP 20

Weitere Schalterprogramme auf Anfrage

Elektromotorischer Ventilstellantrieb:

Als Alternative zum standardmäßig installierten thermoelektrischen Stellantrieb

  • 1 × elektromotorischer Stellantrieb zum Öffnen und Schließen von Ventilen, Betriebsspannung AC/DC 24 V, maximale Leistungsaufnahme 2,5 VA, Ansteuerung Stellsignal 3-Punkt DC 0 – 10 V, zulässige Medientemperatur 1 – 110 °C

Druckunabhängiges Regelventil:

Als Alternative zum standardmäßig installierten Durchgangskleinventil

  • 1 × druckunabhängiges Regelventil, handfest vormontiert mit modulierender Auf/Zu-Regelung in Kombination mit einem von außen einstellbaren, dynamischen Volumenstromregler, mit voller Ventilautorität, Nennweite DN 10, Ventilgehäuse Durchgangsform mit Außengewinde beidseitig ½“ flach dichtend, Medientemperatur 0 – 120 °C

Schnittstelle zur Integration in eine bauseitige MBE/GA: Modbus TCP-Schnittstelle inklusive Webserver (Bestellschlüssel .../MT/...)

Zur Komfortsteigerung empfehlen wir die Integration in eine bauseitige MBE/GA, oder die Visualisierung mit X-TAIRMINAL. FSL-CONTROL III bietet die Möglichkeit, via Modbus TCP-Protokoll in eine bauseitige MBE/GA integriert zu werden. Zusätzlich inklusive Webserver zur vereinfachten Konfiguration, Inbetriebnahme und Fernüberwachung des Gerätes. Die MBE/GA ist nicht im Lieferumfang TROX enthalten, hier sind lediglich die zuvor aufgeführten Schnittstellen verfügbar.

  • Modbus TCP-Schnittstelle (Ethernet)

BACnet IP-Schnittstelle inklusive Webserver (Bestellschlüssel .../BI/...)

Zur Komfortsteigerung empfehlen wir die Integration in eine bauseitige MBE/GA. FSL-CONTROL III bietet die Möglichkeit, via BACnet-IP-Protokoll in eine bauseitige MBE/GA integriert zu werden. Zusätzlich inklusive Webserver zur vereinfachten Konfiguration, Inbetriebnahme und Fernüberwachung des Gerätes. Die MBE/GA ist nicht im Lieferumfang TROX enthalten, hier sind lediglich die zuvor aufgeführten Schnittstellen verfügbar.

  • BACnet IP-Schnittstelle (Ethernet)

Modbus RTU (Bestellschlüssel .../MR/...)

Zur Komfortsteigerung empfehlen wir die Integration in eine bauseitige MBE/GA. FSL-CONTROL III bietet die Möglichkeit, via Modbus RTU in eine bauseitige MBE/GA integriert zu werden. Die MBE/GA ist nicht im Lieferumfang TROX enthalten, hier sind lediglich die zuvor aufgeführten Schnittstellen verfügbar.

  • Modbus RTU-Schnittstelle (RS485)

BACnet MS/TP (Bestellschlüssel .../BM/...)

Zur Komfortsteigerung empfehlen wir die Integration in eine bauseitige MBE/GA. FSL-CONTROL III bietet die Möglichkeit, via BACnet MS/TP in eine bauseitige MBE/GA integriert zu werden. Die MBE/GA ist nicht im Lieferumfang TROX enthalten, hier sind lediglich die zuvor aufgeführten Schnittstellen verfügbar.

  • BACnet MS/TP-Schnittstelle (RS485)


Ausführung als SLAVEGERÄT 

Baugleich zum MASTERGERÄT, wie zuvor beschrieben, jedoch mit folgenden Abweichungen:

  • Keine Raumluftqualitätsmessung im Gerät
  • Keine Anschlussmöglichkeit für Raumbediengeräte
  • Keine Außentemperaturerfassung in der Außenluft
  • Keine Aufschaltung auf bauseitige Buskommunikation möglich
  • Vormontiertes autarkes Regelsystem für dezentrale Fassadenlüftungsgeräte in SLAVE-Ausführung

Ersatzfilterset passend zur Geräteausführung

  • Abluftfilter als Filtermattenzuschnitt
  • Außenluftfilter als Plisseefilter

Inbetriebnahme der dezentralen Lüftungsgeräte

Inbetriebnahme/Parametrisierung der dezentralen Lüftungsgeräte ohne Integration in eine bauseitige MBE/GA

  • Sichtprüfung der bauseits vorgenommenen Geräteanschlüsse auf Übereinstimmung mit den jeweiligen Einbauvorgaben aus der Installations- und Konfigurationsanleitung: Luftanschlüsse; Heizungs-/Kälteanbindung; Elektroanschlüsse; Einbindung in die installierte Geräteverkleidung; Anschlüsse externer Teilnehmer
  • Prüfung und gegebenenfalls Anpassung der im Werk voreingestellten Projektparameter im Hinblick auf kundenspezifische Anpassungen
  • Funktionsprüfung der einzelnen Komponenten (Stellglieder, Ventilatoren, Ventile, Klappen, Sensoren)
  • Überprüfung der projektspezifischen Regelfunktionen inklusive eventueller Sonderfunktionen wie z. B. potentialfreier Schaltkontakte
  • Dokumentation der Geräteeinstellungen und des Einsatzes in einem Servicebericht. Der Servicebericht ist von Ihrem Unternehmen als Auftraggeber oder Ihrem Vertreter zu unterzeichnen
  • Die Abrechnung erfolgt als Pauschale, abgeleitet aus Geräteanzahl und Entfernung

Inbetriebnahme/Parametrisierung der dezentralen Lüftungsgeräte mit Integration in eine bauseitige MBE/GA

  • Sichtprüfung der bauseits vorgenommenen Geräteanschlüsse auf Übereinstimmung mit den jeweiligen Einbauvorgaben aus der Installations- und Konfigurationsanleitung: Luftanschlüsse; Heizungs-/Kälteanbindung; Elektroanschlüsse; Einbindung in die installierte Geräteverkleidung; Anschlüsse externer Teilnehmer; Anschlüsse der MBE/GA
  • Prüfung und gegebenenfalls Anpassung der im Werk voreingestellten Projektparameter im Hinblick auf kundenspezifische Anpassungen
  • Funktionsprüfung der einzelnen Komponenten (Stellglieder, Ventilatoren, Ventile, Klappen, Sensoren)
  • Überprüfung der projektspezifischen Regelfunktionen inklusive eventueller Sonderfunktionen wie z. B. potentialfreier Schaltkontakte
  • Funktionsprüfung der Kommunikation zur MBE/GA in Zusammenarbeit mit der bestellten MSR-Firma:
    • Überprüfung der bauseitig vorzunehmenden Einstellungen auf Übereinstimmung mit den Vorgaben aus der Installations- und Konfigurationsanleitung
    • Eingangsprüfung der bauseitig gesendeten Datenpunkte
    • Ausgangsprüfung der ausgegebenen Datenpunkte
    • Probebetrieb der von der MBE/GA schaltbaren Betriebszustände
  • Dokumentation der Geräteeinstellungen und des Einsatzes in einen Servicebericht. Der Servicebericht ist von Ihrem Unternehmen als Auftraggeber oder Ihrem Vertreter zu unterzeichnen
  • Die Abrechnung erfolgt als Pauschale, abgeleitet aus Geräteanzahl und Entfernung

Einweisung in Bedienung und Wartung

  • Einmalige Unterweisung zur Bedienung der dezentralen Lüftungsgeräte bestehend aus:
    • Beschreibung der Gerätefunktionen am bereits in Betrieb genommenem Gerät
    • Beschreibung der Raumbedieneinheit und der damit beeinflussbaren Raumkonditionen
    • Beschreibung der Wartungsarbeiten
  • Die Abrechnung erfolgt als Pauschale und wird durch den verantwortlichen Vertriebsmitarbeiter durchgeführt

 

SA-B
41 / KR / 1590 × 646 × 420 / C3MAT / MR / C / Z / A / HVR0,40 / KVR0,40
|||||||||||||||||||
12345678910111213141516171819
1 Serie
SA-B
 horizontales dezentrales Brüstungslüftungsgerät X-CUBE/SCHOOLAIR-B

2 Variante
Keine Eintragung: Standard

3 Wärmeübertrager
2
2-Leiter
4 4-Leiter

4 Wärmeübertragerausführung
Ausführung angeben (technische Auslegung mit TROX EPF oder TROX CONFIGURATOR)

5 Ausführung
KR
 mit Kondensatablauf und Wasseranschluss rechts

6 Abmessungen [mm]
Breite × Höhe × Tiefe
1590 × 646 × 420

7 Regelung
OR
 ohne Regelung
C3 mit FSL-CONTROL III

8 Regelungsfunktion
MA
Master
SL Slave

9 Echtzeituhr
Nur mit Regelungsfunktion MA
Keine Eintragung: ohne Echtzeituhr
T mit Echtzeituhr

10 Schnittstelle
Keine Eintragung: ohne Schnittstelle
MT mit Modbus TCP
MR mit Modbus RTU (nur mit Regelungsfunktion MA)
BI mit BACnet IP
BM mit BACnet MS/TP (nur mit Regelungsfunktion MA)

11 Luftqualitätsfühler
Nur mit Regelungsfunktion MA
Keine Eintragung: ohne Luftqualitätsfühler
C mit CO2-Sensor
V VOC-Sensor

12 Zulufttemperaturfühler
Z
 mit Zulufttemperaturfühler

13 Außenlufttemperaturfühler
Nur mit Regelungsfunktion MA
Keine Eintragung: ohne Außenlufttemperaturfühler
A mit Außenlufttemperaturfühler

14 Heizventil
HV
 mit thermoelektrischem Antrieb
HVE mit elektromotorischem Antrieb

15 Rücklaufverschraubung Heizkreis
R
 mit Rücklaufverschraubung

16 kVS-Wert Heizventil
0,25
(Durchgangsventil)
0,40 (Durchgangsventil)
0,63 (Durchgangsventil)
1,00 (Durchgangsventil)
F0,50 (druckunabhängiges Regelventil)

17 Kühlventil
Nur mit Wärmeübertrager 4
KV mit thermoelektrischem Antrieb
KVE mit elektromotorischem Antrieb

18 Rücklaufverschraubung Kühlkreis
Nur mit Wärmeübertrager 4
R mit Rücklaufverschraubung

19 kVS-Wert Kühlventil
Nur mit Wärmeübertrager 4
0,25 (Durchgangsventil)
0,40 (Durchgangsventil)
0,63 (Durchgangsventil)
1,00 (Durchgangsventil)
F0,50 (druckunabhängiges Regelventil)


Bestellbeispiel: SA-B-4-1-KR/1590×646×420/C3-MA-T/MR/C/Z/A/HV-R-0,40/KV-R-0,40

SerieSA-Bhorizontales dezentrales Brüstungslüftungsgerät X-CUBE/SCHOOLAIR-B
Variante-Standard
Wärmeübertrager44-Leiter
Wärmeübertragerausführung1Wärmeübertrager Typ 1
AusführungKRmit Kondensatablauf und Wasseranschluss rechts
Nenngröße [mm]1590×646×420Breite 2090, Höhe 750, Tiefe 420
RegelungC3mit FSL-CONTROL III
RegelungsfunktionMAMaster
EchtzeituhrTmit Echtzeituhr
SchnittstelleMRmit Modbus RTU
LuftqualitätsfühlerCmit CO2-Sensor
ZulufttemperaturfühlerZmit Zulufttemperaturfühler
AußenlufttemperaturfühlerAmit Außenlufttemperaturfühler
HeizventilHVmit thermoelektrischem Antrieb
Rücklaufverschraubung HeizkreisRmit Rücklaufverschraubung
kVS-Wert Heizventil0,400,40 (Durchgangsventil)
KühlventilKVmit thermoelektrischem Antrieb
Rücklaufverschraubung Kühlkreis Rmit Rücklaufverschraubung
kVS-Wert Kühlventil0,400,40 (Durchgangsventil)


Bestellbeispiel: SA-B-4-1-KR/1590×646×420/C3-SL/MT/Z/HV-R-0,40/KV-R-0,25

SerieSA-Bhorizontales dezentrales Brüstungslüftungsgerät X-CUBE/SCHOOLAIR-B
Variante-Standard
Wärmeübertrager44-Leiter
Wärmeübertragerausführung1Wärmeübertrager Typ 1
AusführungKRmit Kondensatablauf und Wasseranschluss rechts
Nenngröße [mm]1590×646×420Breite 2090, Höhe 750, Tiefe 420
RegelungC3mit FSL-CONTROL III
RegelungsfunktionSLSlave
Echtzeituhr--
SchnittstelleMTmit Modbus TCP
Luftqualitätsfühler--
ZulufttemperaturfühlerZmit Zulufttemperaturfühler
Außenlufttemperaturfühler--
HeizventilHVmit thermoelektrischem Antrieb
Rücklaufverschraubung HeizkreisRmit Rücklaufverschraubung
kVS-Wert Heizventil0,400,40 (Durchgangsventil)
KühlventilKVmit thermoelektrischem Antrieb
Rücklaufverschraubung Kühlkreis Rmit Rücklaufverschraubung
kVS-Wert Kühlventil0,250,25 (Durchgangsventil)

Produktdetails

  • Produktdetails

Einbau und Inbetriebnahme

  • Aufstellung auf dem Fußboden vor der Brüstung
  • Ausgleich von Rohbautoleranzen über die 4 Justierfüße (+40 mm)
  • 4 seitliche Befestigungswinkel (lose beigelegt) zur Verschraubung mit dem Baukörper, alternativ können 2 Befestigungspunkte an der oberen Geräteseite verwendet werden
  • Verbindung zur Außenluftansaugung bzw. Fortluftausblasung erfolgt über 2 kundenseitig, in der Fassade bzw. Außenwand vorgesehene Lüftungsöffnungen, empfohlenerweise mit Gefälle nach außen
  • Witterungsschutz der Außen- und Fortluftöffnung erfolgt als kundenseitige Leistung
  • Einbau und Erstellung aller Anschlüsse und Lieferung des Befestigungs-, Verbindungs- und Dichtungsmaterials erfolgen kundenseitig
  • Wasseranschlüsse für Vor- und Rücklauf befinden sich, vom Raum aus gesehen, auf der rechten Geräteseite (Variante /KR) oder auf der linken Seite (Variante /KL)
  • Kundenseitig ist auf die Möglichkeit zur Entleerung und Entlüftung zu achten
  • Elektroanschluss befindet sich, vom Raum aus gesehen, auf der linken Geräteseite
  • Wir empfehlen eine Anbindung an das bauseitige Rohrnetz mit flexiblen Schläuchen, um den Wärmeübertrager zur Reinigung leicht entnehmen zu können
  • Die bauseitige Brüstungsverkleidung darf auf der Gerätevorderseite Wartungsarbeiten und Gerätemontage bzw. -demontage nicht einschränken

Downloads

Produktinfos

Broschüren

Zertifikate

Betriebsanleitungen

production {"x-frame-options"=>"SAMEORIGIN", "x-xss-protection"=>"1; mode=block", "x-content-type-options"=>"nosniff", "x-download-options"=>"noopen", "x-permitted-cross-domain-policies"=>"none", "referrer-policy"=>"strict-origin-when-cross-origin", "strict-transport-security"=>"max-age=31536000; includeSubDomains", "content-type"=>"text/html; charset=utf-8"}

Seite teilen

Diese Seite weiterempfehlen

Hier haben Sie die Möglichkeit diese Seite als Link weiter zu empfehlen.

Mit Stern (*) markierte Felder sind Pflichtfelder.

Kontakt

Vielen dank für Ihre Nachricht!

Ihre Empfehlung wurde verschickt und sollte jeden Moment beim Empfänger eingehen.

Kontakt

Wir sind für Sie da

Bitte spezifizieren Sie das Thema Ihrer Anfrage und Ihre Kontaktdaten.
Tel.: +49 (0)2845 / 202-0 | Fax: +49 (0)2845/202-265

Mit Stern (*) markierte Felder sind Pflichtfelder.

Kontakt

Vielen Dank für Ihre Nachricht!

Ihre Nachricht in ist unserem Service Center eingegangen und wird bearbeitet.
Unsere Abteilung für Service-Anfragen wird sich in Kürze mit Ihnen in Verbindung setzten.
Für allgemeine Fragen zu Produkten und Services erreichen Sie uns auch unter:
Tel.: +49 (0)2845 / 202-0 | Fax: +49 (0)2845/202-265

Kontakt

Wir sind für Sie da

Bitte spezifizieren Sie das Thema Ihrer Anfrage und Ihre Kontaktdaten.
Tel.: +49 (0)2845 / 202-0 | Fax: +49 (0)2845/202-265

Anhang (max. 10MB)

Mit Stern (*) markierte Felder sind Pflichtfelder.

Kontakt

Vielen Dank für Ihre Nachricht!

Ihre Nachricht in ist unserem Service Center eingegangen und wird bearbeitet.
Unsere Abteilung für Service-Anfragen wird sich in Kürze mit Ihnen in Verbindung setzten.
Für allgemeine Fragen zu Produkten und Services erreichen Sie uns auch unter:
Tel.: +49 (0)2845 / 202-0 | Fax: +49 (0)2845/202-265