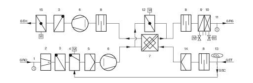
SEH Fortluft Einzelraum
SRO Außenluft Einzelraum
SRS Zuluft Einzelraum
SET Abluft Einzelraum
SEC Sekundärluft Einzellraum
1 Außenlufttemperaturfühler (optional)
2 Volumenstrombegrenzer
3 Rückschlagklappe
4 Absperrklappe mit Stellantrieb (Außenluft)
5 Feinstaubfilter ePM1
6 EC-Ventilator (Zu- und Abluft)
7 Rekuperativer Wärmerückgewinner
8 Schalldämpfer
9 Lufterhitzer
10 Luftkühler
11 Zulufttemperaturfühler (optional)
12 Bypassklappe mit Stellantrieb (stetig)
13 CO2-Sensor (optional)
14 Abluftfilter ISO Coarse
15 Absperrklappe mit Stellantrieb (Fortluft)
Dezentrale Zu- und Abluftgeräte be- und entlüften den Raum. Sie decken die Kühl- und Heizlast gemäß den technischen Daten ab. Die Außenluft wird von einem EC-Radialventilator angesaugt und strömt durch den wartungsfreien und mechanisch selbsttätigen Volumenstrombegrenzer Typ VFL, der werkseitig auf einen Maximalvolumenstrom voreingestellt wird. Dieser sorgt, ohne elektrische Hilfsenergie, für die Maximalbegrenzung des Außenluftvolumenstroms auf einen voreingestellten Wert bei allen Fassaden¸berdrucksituationen. Anschließend durchströmt die Luft die motorisierte Absperrklappe, die selbsttätige Rückschlagklappe und den Außenluftfilter. Die selbsttätigen Rückschlagklappen in Außenluftansaugung und Fortluftausblasung verhindern eine Rückströmung konditionierter Luft bzw. vermeiden ungewollte Strömungsrichtungen. Danach strömt die Außenluft durch den Kreuzstrom-Wärmerückgewinner, der in energetisch sinnvollen Betriebssituationen und zum Geräteschutz umgangen werden kann. Bevor die Zuluft quellluftartig in den Raum strömt, wird sie bei Bedarf im Wärmeübertrager noch geheizt bzw. gekühlt. Die Abluft strömt durch den Außenluftfilter, bevor sie durch den Wärmerückgewinner, den Abluftventilator, die Rückschlagklappe und die motorisierte Absperrklappe als Fortluft ins Freie gefördert wird. Bei ausreichend guter Raumluftqualität schaltet die FSL-CONTROL III Regelung durch Schließen der Außenluftklappen in den energetisch sinnvollen Sekundärluftbetrieb. Die Regelung vergleicht dabei die Sollwerte der Raumluftqualität mit den am CO2 -Sensor gemessenen Istwerten und schaltet automatisch zwischen Außenluft- und Sekundärluftbetrieb um. Zum Brandschutz, Frostschutz und zur Vermeidung von Zugluft werden bei Stromausfall die Außenluft und Fortluftklappe zugefahren. Hierzu besitzen die Stellantriebe einen Energiespeicher. Die Zuluft strömt mit mittlerer Geschwindigkeit von 0,5 – 0,8 m/s fassadennah in den Raum. Durch die Induktionswirkung werden die Geschwindigkeiten bereits kurz nach dem Lufteintritt in den Raum abgebaut, so dass sich die Zuluft im Kühlfall über die gesamte Bodenfläche quellluftartig ausbreitet. An Wärmequellen wie Menschen und Geräten bildet sich durch natürliche Konvektion eine Auftriebsströmung, so dass primär in diesen Bereichen die Luft ausgetauscht wird
| Breite | 1085 mm |
| Höhe | 630 mm |
| Tiefe | 320 mm |
| Außenluftvolumenstrom | 80 – 150 m³/h |
| Nennvolumenstrom | 120 m³/h |
| Schallleistungspegel | 30 – 43 dB(A) |
Wärmerückgewinnungsgrad | 60 % |
maximaler Betriebsdruck wasserseitig | 6 bar |
maximale Betriebstemperatur | 75 °C |
| Versorgungsspannung | 230 V AC ±10 %, 50/60 Hz |
| Anschlussleistung | 234 VA |
Gewicht | 65 kg |
X-CUBE/ROOMAIR-B-ZAB/SEK (Auslegungsbeispiel 4-Leiter-Ausführung kondesatfrei)
Zuluftvolumenstrom | m³/h | 80 | 100 | 120 | 150 |
| Gesamtkühlleistung | W | 370 | 460 | 550 | 670 |
| Raumkühlleistung | W | 214 | 267 | 321 | 386 |
| Temperatur der Luft im Gerät | °C | 32,0 | 32,0 | 32,0 | 32,0 |
relative Feuchte | % | 40 | 40 | 40 | 40 |
Wassergehalt der trockenen Luft | g/kg | 11,9 | 11,9 | 11,9 | 11,9 |
| Zulufttemperatur | °C | 18,0 | 18,0 | 18,0 | 18,3 |
| Kondensat | g/h | ||||
| Kaltwassermenge | l/h | 90 | 115 | 160 | 200 |
| Wassereintrittstemperatur | °C | 16 | 16 | 16 | 16 |
| Wasseraustrittstemperatur | °C | 19,5 | 19,4 | 19,0 | 18,9 |
| Druckverlust wasserseitig | kPa | 3,0 | 4,0 | 7,5 | 11,0 |
| Gesamtheizleistung | W | 1370 | 1720 | 2060 | 2440 |
| Raumheizleistung | W | 326 | 421 | 501 | 506 |
| Temperatur der Luft im Gerät | °C | -12,0 | -12,0 | -12,0 | -12,0 |
| Zulufttemperatur | °C | 33,2 | 33,6 | 33,5 | 31,1 |
| Warmwassermenge | l/h | 50 | 80 | 120 | 145 |
| Wassereintrittstemperatur | °C | 60 | 60 | 60 | 60 |
| Wasseraustrittstemperatur | °C | 36,2 | 41,2 | 45,0 | 45,3 |
| Druckverlust wasserseitig | kPa | 2,5 | 5,5 | 11,0 | 15,0 |
Schallleistungspegel LWA | dB(A) | 30 | 34 | 38 | 43 |
Schalldruckpegel inklusive 8 dB Systemdämpfung | dB(A) | 22 | 26 | 30 | 35 |
Wirkleistung Pel | W | 19 | 23 | 24 | 34 |
Luftseitige Daten Kühlbetrieb:
Luftseitige Daten Heizbetrieb:
Alle Angaben ohne Berücksichtigung der WRG!
X-CUBE/ROOMAIR-B-ZAB/SEK (Auslegungsbeispiel 4-Leiter-Ausführung mit ganzjähriger WRG-Nutzung)
Zuluftvolumenstrom | m³/h | 80 | 100 | 120 | 150 |
| Gesamtkühlleistung | W | 420 | 520 | 640 | 800 |
| Raumkühlleistung | W | 216 | 267 | 321 | 406 |
Rückwärmzahl | % | 63 | 61 | 60 | 56 |
Lufttemperatur nach WRG | °C | 29,4 | 29,5 | 29,6 | 29,7 |
relative Feuchte | % | 46,3 | 46,0 | 46,0 | 45,6 |
Wassergehalt der trockenen Luft | g/kg | 11,9 | 11,9 | 11,9 | 11,9 |
| Zulufttemperatur | °C | 17,9 | 18,0 | 18,0 | 17,9 |
| Kondensat | g/h | 177 | 207 | 266 | 324 |
| Kaltwassermenge | l/h | 50 | 68 | 80 | 105 |
| Wassereintrittstemperatur | °C | 8 | 8 | 8 | 8 |
| Wasseraustrittstemperatur | °C | 15,2 | 14,6 | 14,8 | 14,5 |
| Druckverlust wasserseitig | kPa | 1,5 | 2,0 | 2,7 | 4,5 |
| Gesamtheizleistung | W | 770 | 960 | 1200 | 1560 |
| Raumheizleistung | W | 329 | 404 | 481 | 571 |
Rückwärmzahl | % | 61 | 60 | 57 | 54 |
Lufttemperatur nach WRG | °C | 6,1 | 5,9 | 4,8 | 3,3 |
| Zulufttemperatur | °C | 33,3 | 33,1 | 33,0 | 32,4 |
| Kondensat | g/h | 200 | 200 | 200 | 200 |
| Warmwassermenge | l/h | 55 | 75 | 110 | 180 |
| Wassereintrittstemperatur | °C | 50 | 50 | 50 | 50 |
| Wasseraustrittstemperatur | °C | 37,8 | 38,9 | 40,5 | 42,5 |
| Druckverlust wasserseitig | kPa | 0,5 | 1 | 1,5 | 3,3 |
Schallleistungspegel LWA | dB(A) | 30 | 34 | 38 | 43 |
Schalldruckpegel inklusive 8 dB Systemdämpfung | dB(A) | 22 | 26 | 30 | 35 |
Wirkleistung Pel | W | 19 | 23 | 24 | 34 |
Luftseitige Daten Kühlbetrieb:
Luftseitige Daten Heizbetrieb:
Raumbediengerat ohne Stufenschalter und ohne Sollwertsteller, Typ Thermokon, Unterputzmontage, Schalterprogramm Gira E2
Zur Komfortsteigerung empfehlen wir die Integration in eine bauseitige MBE/GA oder die Visualisierung mit X-TAIRMINAL. FSL-CONTROL III bietet die Möglichkeit, via Modbus TCP- Protokoll in eine bauseitige MBE/GA integriert zu werden. Zusätzlich inklusive Webserver zur vereinfachten Konfiguration, Inbetriebnahme und Fernüberwachung des Gerätes. Die MBE/ GA ist nicht im Lieferumfang TROX enthalten, hier sind lediglich die zuvor aufgeführten Schnittstellen verfügbar.
Zur Komfortsteigerung empfehlen wir die Integration in eine bauseitige MBE/GA. FSL-CONTROL III bietet die Möglichkeit, via BACnet-IP-Protokoll in eine bauseitige MBE/GA integriert zu werden. Zusätzlich inklusive Webserver zur vereinfachten Konfiguration, Inbetriebnahme und Fernüberwachung des Gerätes. Die MBE/GA ist nicht im Lieferumfang TROX enthalten, hier sind lediglich die zuvor aufgeführten Schnittstellen verfügbar.
Zur Komfortsteigerung empfehlen wir die Integration in eine bauseitige MBE/GA. FSL-CONTROL III bietet die Möglichkeit, via Modbus RTU in eine bauseitige MBE/GA integriert zu werden. Die MBE/GA ist nicht im Lieferumfang TROX enthalten, hier sind lediglich die zuvor aufgeführten Schnittstellen verfügbar.
Zur Komfortsteigerung empfehlen wir die Integration in eine bauseitige MBE/GA. FSL-CONTROL III bietet die Möglichkeit, via BACnet MS/TP in eine bauseitige MBE/GA integriert zu werden. Die MBE/GA ist nicht im Lieferumfang TROX enthalten, hier sind lediglich die zuvor aufgeführten Schnittstellen verfügbar.
Ausführung als SLAVEGERÄT
| RA-B-ZAB/SEK | – | 4 | – | HE | – | KR | / | 1124 × 763 × 320 | / | C3 | / | MA | – | T | / | MR | / | C | / | Z | / | A | / | HV | – | R | – | 0,40 | / | KV | – | R | – | 0,40 |
|---|---|---|---|---|---|---|---|---|---|---|---|---|---|---|---|---|---|---|---|---|---|---|---|---|---|---|---|---|---|---|---|---|---|---|
| | | | | | | | | | | | | | | | | | | | | | | | | | | | | | | | | | | | | |||||||||||||||||
| 1 | 2 | 3 | 4 | 5 | 6 | 7 | 8 | 9 | 10 | 11 | 12 | 13 | 14 | 15 | 16 | 17 | 18 |
Bestellbeispiel: RA-B-ZAB/SEK-4-HE-KL/1174×763×320/C3-MA-T/MR/C/Z/A/HV-R-0,40/KV-R-0,25
| Serie | RA-B-ZAB/SEK - horizontales dezentrales Brüstungslüftungsgerät X-CUBE/ROOMAIR-B-ZAB/SEK |
| Wärmeübertrager | 4-Leiter |
| Variante | hoher Wärmerückgewinnungsgrad |
| Ausführung | mit Kondensatablauf links |
| Abmessungen [mm] | Breite 1174, Höhe 763, Tiefe 320 |
| Regelung | mit FSL-CONTROL III |
| Regelungsfunktion | Master |
| Echtzeituhr | mit Echtzeituhr |
| Schnittstelle | mit Modbus RTU |
| Luftqualitätsfühler | mit CO2-Sensor |
| Zulufttemperaturfühler | mit Zulufttemperaturfühler |
| Außenlufttemperaturfühler | mit Außenlufttemperaturfühler |
| Heizventil | mit Heizventil |
| Rücklaufverschraubung Heizkreis | mit Rücklaufverschraubung |
| kVS-Wert Heizventil | 0,40 |
| Kühlventil | mit Kühlventil |
| Rücklaufverschraubung Kühlkreis | mit Rücklaufverschraubung |
| kVS-Wert Kühlventil | 0,25 |
Seite teilen
Diese Seite weiterempfehlen
Hier haben Sie die Möglichkeit diese Seite als Link weiter zu empfehlen.
Kontakt
Vielen dank für Ihre Nachricht!
Ihre Empfehlung wurde verschickt und sollte jeden Moment beim Empfänger eingehen.
Kontakt
Wir sind für Sie da
Bitte spezifizieren Sie das Thema Ihrer Anfrage und Ihre Kontaktdaten.
Tel.: +49 (0)2845 / 202-0 | Fax: +49 (0)2845/202-265
Kontakt
Vielen Dank für Ihre Nachricht!
Ihre Nachricht in ist unserem Service Center eingegangen und wird bearbeitet.
Unsere Abteilung für Service-Anfragen wird sich in Kürze mit Ihnen in Verbindung setzten.
Für allgemeine Fragen zu Produkten und Services erreichen Sie uns auch unter:
Tel.: +49 (0)2845 / 202-0 | Fax: +49 (0)2845/202-265
Kontakt
Wir sind für Sie da
Bitte spezifizieren Sie das Thema Ihrer Anfrage und Ihre Kontaktdaten.
Tel.: +49 (0)2845 / 202-0 | Fax: +49 (0)2845/202-265
Kontakt
Vielen Dank für Ihre Nachricht!
Ihre Nachricht in ist unserem Service Center eingegangen und wird bearbeitet.
Unsere Abteilung für Service-Anfragen wird sich in Kürze mit Ihnen in Verbindung setzten.
Für allgemeine Fragen zu Produkten und Services erreichen Sie uns auch unter:
Tel.: +49 (0)2845 / 202-0 | Fax: +49 (0)2845/202-265