Wetterschutzgitter aus Aluminium-Profil, eloxiert
Ausführung
Schutzgitter
① Frontrahmen
② Feldlamellen
③ Abschlusslamelle
④ Befestigungslöcher
⑤ Welldrahtgitter, optional zusätzlich mit Insektenschutzgitter
⑥ Strebe ab H = 597
⑦ Verstärkungssteg ab B = 597
Wetterschutzgitter sind Luftdurchlässe für die Außenluft und Fortluft lufttechnischer Anlagen. Sie werden in Außenwände und Fassaden eingebaut. Durch ihre eng angeordneten Lamellen schützen sie vor direkt eindringendem Regen sowie Laub und Vögeln.
Abhängig von der Art und Stärke des Regens und der Strömungsgeschwindigkeit kann es vorkommen, dass geringe Wassermengen mit der Luft einströmen.
Die Strömungsgeschwindigkeit in Außenluftöffnungen sollte daher 2 – 2,5 m/s nicht überschreiten.
| Nenngrößen | 97 × 97 – 1997 × 997 mm/1197 × 1997 mm |
Die Schnellauslegung im Easy Product Finder gibt einen guten Überblick über die
Zu exakten Werten anhand projektspezifischer Daten führt die Auslegung mit unserem Auslegungsprogramm Easy Product Finder.
Den Easy Product Finder finden Sie auf unserer Website:
www.trox.de/mytrox/auslegungsprogramm-easy-poduct-finder-182e16348fac3d33
Wetterschutzgitter in rechteckiger Bauform zum Schutz vor direkt eindringendem Regen sowie Laub und Vögeln durch Außenluft- und Fortluftöffnungen. Einbaufertige Komponente, bestehend aus Frontrahmen, regenabweisend und strömungsgünstig geformten Lamellen und rückseitigem Vogelschutzgitter.
Besondere MerkmaleAusführung
Schutzgitter| WGK | – | AL | – | 3 | – | … | / | 1197 × 797 | / | ER | / | P1 - RAL … |
| | | | | | | | | | | | | | | ||||||
| 1 | 2 | 3 | 4 | 5 | 6 | 7 |
| Material | Aluminium |
| Ausführung | Insektenschutzgitter Stahl verzinkt |
| Nenngröße | 997 × 1622 mm |
| Einbaurahmen | ohne |
| Oberfläche | pulverbeschichtet, RAL 9006, weißaluminium |
WGK, Breite 97 – 997 mm, Gewichte [kg]
H [mm] | B [mm] | ||||||||||
|---|---|---|---|---|---|---|---|---|---|---|---|
| 97 | 147 | 197 | 297 | 397 | 497 | 597 | 697 | 797 | 897 | 997 | |
| 97 | 1 | 1 | 1 | 1 | 1 | 1 | 1 | 1 | 1 | 1 | 2 |
| 147 | 1 | 1 | 1 | 1 | 1 | 1 | 1 | 1 | 2 | 2 | 2 |
| 197 | 1 | 1 | 1 | 1 | 1 | 2 | 2 | 2 | 2 | 2 | 3 |
| 247 | 1 | 1 | 1 | 1 | 2 | 2 | 2 | 2 | 3 | 3 | 3 |
| 297 | 1 | 1 | 1 | 2 | 2 | 2 | 3 | 3 | 3 | 3 | 4 |
| 347 | 1 | 1 | 1 | 2 | 2 | 3 | 3 | 3 | 4 | 4 | 4 |
| 397 | 1 | 1 | 2 | 2 | 2 | 3 | 3 | 4 | 4 | 4 | 5 |
| 447 | 1 | 1 | 2 | 2 | 3 | 3 | 4 | 4 | 4 | 5 | 5 |
| 497 | 1 | 1 | 2 | 2 | 3 | 3 | 4 | 4 | 5 | 5 | 6 |
| 597 | 1 | 2 | 2 | 3 | 3 | 4 | 5 | 5 | 6 | 6 | 7 |
| 797 | 1 | 2 | 3 | 4 | 4 | 5 | 6 | 7 | 8 | 8 | 9 |
| 997 | 1 | 2 | 3 | 4 | 5 | 6 | 7 | 8 | 9 | 10 | 11 |
| 1197 | 2 | 3 | 4 | 5 | 6 | 8 | 9 | 10 | 11 | 12 | 14 |
| 1397 | 2 | 3 | 5 | 6 | 7 | 9 | 10 | 12 | 13 | 14 | 16 |
| 1597 | 2 | 4 | 5 | 7 | 8 | 10 | 12 | 13 | 15 | 16 | 18 |
| 1797 | 2 | 4 | 6 | 8 | 9 | 11 | 13 | 15 | 17 | 18 | 20 |
| 1997 | 2 | 4 | 6 | 8 | 10 | 12 | 14 | 16 | 18 | 20 | 22 |
WGK, Breite 1097 – 1997 mm, Gewichte [kg]
H [mm] | B [mm] | |||||||||
|---|---|---|---|---|---|---|---|---|---|---|
| 1097 | 1197 | 1297 | 1397 | 1497 | 1597 | 1697 | 1797 | 1897 | 1997 | |
| 97 | 2 | 2 | 2 | 2 | 3 | 3 | 3 | 3 | 3 | 3 |
| 147 | 2 | 2 | 3 | 3 | 3 | 3 | 3 | 4 | 4 | 4 |
| 197 | 3 | 3 | 3 | 3 | 4 | 4 | 4 | 4 | 4 | 5 |
| 247 | 3 | 4 | 4 | 4 | 4 | 5 | 5 | 5 | 5 | 6 |
| 297 | 4 | 4 | 5 | 5 | 5 | 6 | 6 | 6 | 6 | 7 |
| 347 | 5 | 5 | 5 | 6 | 6 | 6 | 7 | 7 | 7 | 8 |
| 397 | 5 | 6 | 6 | 6 | 7 | 7 | 8 | 8 | 8 | 9 |
| 447 | 6 | 6 | 7 | 7 | 8 | 8 | 9 | 9 | 9 | 10 |
| 497 | 6 | 7 | 7 | 8 | 8 | 9 | 9 | 10 | 10 | 11 |
| 597 | 8 | 8 | 9 | 9 | 10 | 11 | 11 | 12 | 12 | 13 |
| 797 | 10 | 11 | 12 | 12 | 13 | 14 | 15 | 16 | 16 | 17 |
| 997 | 12 | 13 | 14 | 15 | 16 | 17 | 18 | 19 | 20 | 21 |
| 1197 | 15 | 16 | 17 | 18 | 20 | 21 | 22 | |||
| 1397 | 17 | 19 | 20 | 21 | 23 | |||||
| 1597 | 20 | 21 | 23 | |||||||
| 1797 | 22 | |||||||||
| 1997 | ||||||||||
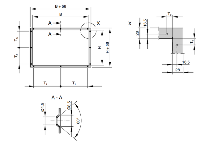
WGK, Standardmaßreihe, Breite B, Anzahl Flanschlöcher n
| B [mm] | Lochanzahl n | T₁ [mm] | T₂ [mm] |
|---|---|---|---|
| 97 | 1 | – | B/2 |
| 147 | 1 | – | B/2 |
| 197 | 1 | – | B/2 |
| 297 | 2 | 262 | 17,5 |
| 397 | 2 | 362 | 17,5 |
| 497 | 3 | 231 | 17,5 |
| 597 | 3 | 281 | 17,5 |
| 797 | 3 | 381 | 17,5 |
| 997 | 4 | 321 | 17,5 |
| 1197 | 4 | 387 | 17,5 |
| 1397 | 5 | 341 | 17,5 |
| 1597 | 5 | 391 | 17,5 |
| 1797 | 6 | 352 | 17,5 |
| 1997 | 6 | 392 | 17,5 |
WGK, Standardmaßreihe, Höhe H, Anzahl Flanschlöcher n
| H [mm] | Lochanzahl n | T₃ [mm] | T₄ [mm] |
|---|---|---|---|
| 97 | 0 | – | – |
| 147 | 0 | – | – |
| 197 | 0 | – | – |
| 297 | 0 | – | – |
| 397 | 0 | – | – |
| 497 | 0 | – | – |
| 597 | 3 | 281 | 17,5 |
| 797 | 3 | 381 | 17,5 |
| 997 | 4 | 321 | 17,5 |
| 1197 | 4 | 387 | 17,5 |
| 1397 | 5 | 341 | 17,5 |
| 1597 | 5 | 391 | 17,5 |
| 1797 | 6 | 352 | 17,5 |
| 1997 | 6 | 392 | 17,5 |
WGK, Zwischenmaßreihe, Breite B, Anzahl Flanschlöcher n
| B [mm] | Lochanzahl n | T₁ [mm] | T₂ [mm] |
|---|---|---|---|
| 97 – 296 | 1 | – | B/2 |
| 298 – 396 | 2 | B - 35 | 17,5 |
| 398 – 796 | 3 | (B - 35)/2 | 17,5 |
| 798 – 1396 | 4 | (B - 35)/3 | 17,5 |
| 1398 – 1796 | 5 | (B - 35)/4 | 17,5 |
1798 – 1996 | 6 | (B - 35)/5 | 17,5 |
WGK, Zwischenmaßreihe, Höhe H, Anzahl Flanschlöcher n
| H [mm] | Lochanzahl n | T₃ [mm] | T₄ [mm] |
|---|---|---|---|
| 122 – 572 | 0 | – | – |
| 622 – 772 | 3 | (H - 35)/2 | 17,5 |
| 822 – 1372 | 4 | (H - 35)/3 | 17,5 |
| 1422 – 1772 | 5 | (H - 35)/4 | 17,5 |
| 1822 – 1972 | 6 | (H - 35)/5 | 17,5 |
Einbau und Inbetriebnahme
Seite teilen
Diese Seite weiterempfehlen
Hier haben Sie die Möglichkeit diese Seite als Link weiter zu empfehlen.
Kontakt
Vielen dank für Ihre Nachricht!
Ihre Empfehlung wurde verschickt und sollte jeden Moment beim Empfänger eingehen.
Kontakt
Wir sind für Sie da
Bitte spezifizieren Sie das Thema Ihrer Anfrage und Ihre Kontaktdaten.
Tel.: +49 (0)2845 / 202-0 | Fax: +49 (0)2845/202-265
Kontakt
Vielen Dank für Ihre Nachricht!
Ihre Nachricht in ist unserem Service Center eingegangen und wird bearbeitet.
Unsere Abteilung für Service-Anfragen wird sich in Kürze mit Ihnen in Verbindung setzten.
Für allgemeine Fragen zu Produkten und Services erreichen Sie uns auch unter:
Tel.: +49 (0)2845 / 202-0 | Fax: +49 (0)2845/202-265
Kontakt
Wir sind für Sie da
Bitte spezifizieren Sie das Thema Ihrer Anfrage und Ihre Kontaktdaten.
Tel.: +49 (0)2845 / 202-0 | Fax: +49 (0)2845/202-265
Kontakt
Vielen Dank für Ihre Nachricht!
Ihre Nachricht in ist unserem Service Center eingegangen und wird bearbeitet.
Unsere Abteilung für Service-Anfragen wird sich in Kürze mit Ihnen in Verbindung setzten.
Für allgemeine Fragen zu Produkten und Services erreichen Sie uns auch unter:
Tel.: +49 (0)2845 / 202-0 | Fax: +49 (0)2845/202-265