WG_img_16psd.png
Wetterschutzgitter, Variante WG

Wetterschutzgitter aus verzinktem Stahlprofil

WG_img_02psd.png
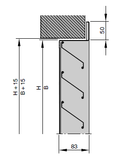
Untere Abschlusslamelle

Untere Abschlusslamelle

WG_img_01psd.png
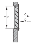
Feldlamellen

Feldlamellen

WG_img_16psd.png
WG_img_02psd.png
WG_img_01psd.png
Online erhältlich - jetzt konfigurieren

WG 

Wetterschutzgitter zum Schutz lufttechnischer Anlagen

 


Wetterschutzgitter zum Schutz lufttechnischer Anlagen vor direkt durch Außenluft- und Fortluftöffnungen eindringendem Regen sowie vor Laub und Vögeln. In Kombination mit Insektenschutzgittern bieten sie auch Schutz vor Insekten. Sie werden für unterschiedlichste Anwendungen hinsichtlich einer Luftströmung eingesetzt und können auch große Einbauöffnungen abdecken. Für Einzelgitter gilt:


  • Maximale Breite 2400 mm, maximale Höhe 2310 mm, maximale Fläche 4 m² (Variante aus Aluminium auch als Bandausführung)
  • Geringe Druckdifferenz durch strömungsgünstig geformte Lamellen
  • Niedriges Strömungsgeräusch aufgrund einer gerundeten Abtropfkante
  • Einfacher und schneller Einbau durch umlaufenden Frontrahmen
  • Varianten aus verzinktem Stahlblech, Aluminium oder Edelstahl
  • Großflächige Anordnung von mehreren Einzelgittern in Kombination mit bauseitiger Unterkonstruktion möglich, um sehr große Einbauöffnungen abzudecken  

 


Optionale Ausstattung und Zubehör


  • Einbaurahmen
  • Kombination mit Jalousieklappen oder Rückschlagklappen
  • Insektenschutzgitter
  • Pulverbeschichtet oder eloxiert

 


 


 

Aktualisiere Bestellschlüssel
Speichere Konfiguration
Ihr Preis wird berechnet
Aktualisiere technische Daten
  • Medien
Ausschreibungstext:
Aktualisiere Auschreibungstext
Vollständigen Text anzeigen Vollständigen Text verbergen
Initialisiere Bestellschlüssel

Allgemeine Informationen

Anwendung

  • Wetterschutzgitter für Außenluft- und Fortluftöffnungen von lufttechnischen Anlagen
  • Schutz vor direkt eindringendem Regen sowie Laub und Vögeln
  • Empfohlene Anströmgeschwindigkeit für Außenluftöffnungen maximal 2 – 2,5 m/s


Besondere Merkmale

  • Flexible Anordnung und große Flächen möglich durch breiten- und/oder höhengeteilte Ausführung oder Bandausführung (Aluminium)
  • Geringe Druckdifferenz und niedriges Strömungsgeräusch durch strömungsgünstige Lamellen
  • Leichte und schnelle Montage durch umlaufenden Frontrahmen
  • Silikonfrei gefertigt


Nenngrößen

  • B: 200, 400, 600, 800, 1000, 1200, 1400, 1600, 1800, 2000, 2200, 2400 mm (Zwischenmaßreihe 201 – 2399 mm in Schritten von 1 mm)
  • Breitengeteilt maximal = 4900 mm (Zwischenmaßreihe 2401 – 4899 mm in Schritten von 1 mm)
  • H: 165, 330, 495, 660, 825, 990, 1155, 1320, 1485, 1650, 1815, 1980, 2145, 2310 mm (Zwischenmaßreihe 166 – 2309 mm in Schritten von 1 mm)
  • Höhengeteilt maximal = 4720 mm (Zwischenmaßreihe 2311 –  4719 mm in Schritten von 1 mm)

  • B × H beliebig kombinierbar
  • Ungeteilte Ausführung bis maximal 4 m²


WG-B-AL
 

  • WG-B-AL-M (Mittelstück) B: 2000 mm
  • WG-B-AL-E (Endstück) B: 1000 – 2000 mm (Zwischenmaßreihe 1001 – 1999 mm in Schritten von 1 mm)
  • H: 165 – 1980 mm (Zwischenmaßreihe 166 – 1979 mm in Schritten von 1 mm)


Varianten

  • WG: Wetterschutzgitter aus verzinktem Stahlblech
  • WG-A2: Wetterschutzgitter aus Edelstahl
  • WG-AL: Wetterschutzgitter aus Aluminium
  • WG-B-AL: Wetterschutzgitter aus Aluminium in Bandausführung


Ausführung

Schutzgitter

  • Welldrahtgitter, Stahl verzinkt (nur WG, WG-AL, WG-B-AL)
  • 1: mit Insektenschutzgitter, Stahl verzinkt (nur WG, WG-AL, WG-B-AL)
  • 2: mit Welldrahtgitter, Edelstahl (nur WG-AL, WG-B-AL)
  • 3: mit Insektenschutzgitter und Welldrahtgitter, Edelstahl (nur WG-A2, WG-AL, WG-B-AL)


Frontrahmen

  • Gelocht
  • U: ungelocht


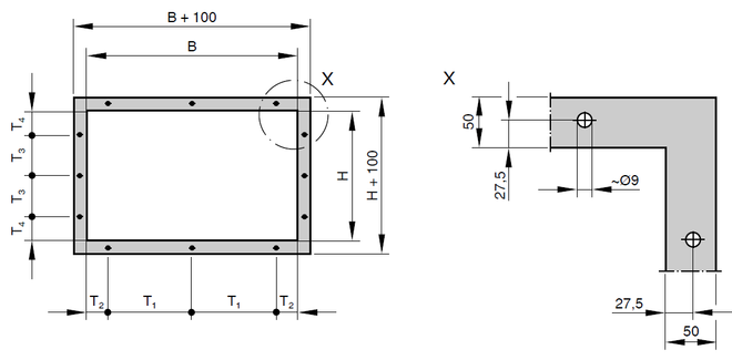
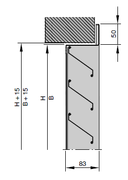
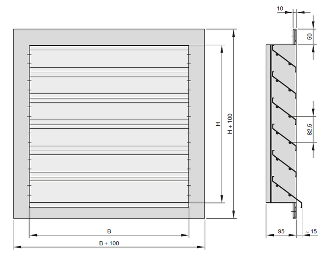
Bauteile und Eigenschaften

  • Frontrahmen
  • Feldlamellen und untere Abschlusslamelle
  • Welldrahtgitter
  • Insektenschutzgitter (optional)
  • Sichtbarer Trennsteg oder rückseitiger Steg zur Verstärkung ab B = 1385 mm


Zubehör

  • Einbaurahmen zum schnellen und einfachen Einbau von Wetterschutzgittern


Konstruktionsmerkmale

  • Rückseitiges Welldrahtgitter, Maschenweite 20 × 20 × 1,8 mm
  • Rückseitiges Insektenschutzgitter (optional), Maschenweite 1,25 × 1,25 × 0,4 mm
  • Frontrahmen gelocht


Materialien und Oberflächen

  • Frontrahmen, Trennsteg und Lamellen aus profiliertem, verzinktem Stahlblech, Aluminium oder Edelstahl
  • Welldrahtgitter aus verzinktem Stahl oder Edelstahl
  • P1: pulverbeschichtet, Farbton nach RAL CLASSIC
  • PS: pulverbeschichtet, Farbton nach NCS oder DB


Instandhaltung

  • Wartungsfrei, da aufgrund der Konstruktion und der verwendeten Materialien keine Abnutzung erfolgt


Offenlegung von Chemikalien
  • RoHS EU-Richtlinie 2011/65/EU (RoHS)
    • Dieses Produkt oder einzelne Varianten entsprechen der EU-Richtlinie 2011/65/EU (RoHS) zur Beschränkung der Verwendung bestimmter gefährlicher Stoffe in Elektro- und Elektronikgeräten. Weitere Informationen finden Sie in unseren Umweltproduktdeklarationen
  • REACH 1907/2006 (EG-Verordnung REACH)
    • Dieses Produkt oder einzelne Varianten entsprechen den Bestimmungen der EG-Verordnung Nr. 1907/2006, auch bekannt als REACH (Registrierung, Bewertung, Zulassung und Beschränkung chemischer Stoffe). Weitere Informationen finden Sie in unseren Umweltproduktdeklarationen

Technische Information

Funktionsbeschreibung, Technische Daten, Schnellauslegung, Ausschreibungstext, Bestellschlüssel

  • FUNKTION
  • TECHNISCHE DATEN
  • SCHNELLAUSLEGUNG
  • AUSSCHREIBUNGSTEXT
  • BESTELLSCHLÜSSEL

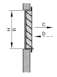
Wetterschutzgitter sind Luftdurchlässe für die Außenluft und Fortluft lufttechnischer Anlagen. Sie werden in Außenwände und Fassaden eingebaut. Durch ihre eng angeordneten Lamellen schützen sie vor direkt eindringendem Regen sowie Laub und Vögeln. Abhängig von der Art und Stärke des Regens und der Strömungsgeschwindigkeit kann es vorkommen, dass geringe Wassermengen mit der Luft einströmen. Die Strömungsgeschwindigkeit in Außenluftöffnungen sollte daher 2 – 2,5 m/s nicht überschreiten.


 

Nenngrößen200 × 165 – 2400 × 1650/1600 × 2310 mm
breitengeteilte Ausführungbis 4900 mm
höhengeteilte Ausführungbis 4720 mm
Gitterband (WG-B-AL)H: 165 – 1980 mm


 

Die Schnellauslegung im Easy Product Finder gibt einen guten Überblick über die


  • Möglichen Volumenströme bei verschiedenen Strömungsgeschwindigkeiten
  • Entsprechenden Druckverluste
  • Schallleistungspegel
  • Freien Querschnitte

 


Zu exakten Werten anhand projektspezifischer Daten führt die Auslegung mit unserem Auslegungsprogramm Easy Product Finder.


Den Easy Product Finder finden Sie auf unserer Website: 


www.trox.de/mytrox/auslegungsprogramm-easy-poduct-finder-182e16348fac3d33


Wetterschutzgitter in rechteckiger Bauform zum Schutz vor direkt eindringendem Regen sowie Laub und Vögeln durch Außenluft- und Fortluftöffnungen. Einbaufertige Komponente, bestehend aus Frontrahmen, regenabweisend und strömungsgünstig geformten Lamellen und rückseitigem Vogelschutzgitter.


Besondere Merkmale

  • Flexible Anordnung und große Flächen möglich durch breiten- und/oder höhengeteilte Ausführung oder Bandausführung (Aluminium)
  • Geringe Druckdifferenz und niedriges Strömungsgeräusch durch strömungsgünstige Lamellen
  • Leichte und schnelle Montage durch umlaufenden Frontrahmen
  • Silikonfrei gefertigt


Ausführung

Schutzgitter

  • Welldrahtgitter, Stahl verzinkt (nur WG, WG-AL, WG-B-AL)
  • 1: mit Insektenschutzgitter, Stahl verzinkt (nur WG, WG-AL, WG-B-AL)
  • 2: mit Welldrahtgitter, Edelstahl (nur WG-AL, WG-B-AL)
  • 3: mit Insektenschutzgitter und Welldrahtgitter, Edelstahl (nur WG-A2, WG-AL, WG-B-AL)


Frontrahmen

  • Gelocht
  • U: ungelocht


Materialien und Oberflächen

  • Frontrahmen, Trennsteg und Lamellen aus profiliertem, verzinktem Stahlblech, Aluminium oder Edelstahl
  • Welldrahtgitter aus verzinktem Stahl oder Edelstahl
  • P1: pulverbeschichtet, Farbton nach RAL CLASSIC
  • PS: pulverbeschichtet, Farbton nach NCS oder DB


Technische Daten

  • Nenngrößen: 200 × 165 – 2400 × 1650/1600 × 2310 mm
  • Breitengeteilte Ausführung: bis 4900 mm
  • Höhengeteilte Ausführung: bis 4720 mm
  • Gitterband (WG-B-AL): Höhe 165 – 1980 mm


Auslegungsdaten

  • qᵥ [m³/h]
  • Δpt [Pa]


Strömungsgeräusch
 

  • LWA [dB(A)]

WGAL2/600 × 1155/ER/P1 - RAL …
|||||||
1234567
1 Serie
WG Wetterschutzgitter
 
2 Material
Keine Eintragung: Stahlblech verzinkt
A2 Edelstahl
AL Aluminium
 
3 Ausführung
Keine Eintragung: Welldrahtgitter
1 Insektenschutzgitter, Stahl verzinkt (nur WG, WG-AL)
2 Welldrahtgitter, Edelstahl (nur WG-AL)
3 Welldrahtgitter und Insektenschutzgitter, Edelstahl (nur WG-AL, WG-A2)
 
4 Frontrahmen
Keine Eintragung: gelocht
U ungelocht
 
 
5 Nenngröße [mm]
B × H
(B × H > 4 m2 in geteilter Ausführung)
 
6 Einbaurahmen
Keine Eintragung: ohne
ER mit (nicht mit Frontrahmen ungelocht)
 
7 Oberfläche
Keine Eintragung: Grundausführung
P1 pulverbeschichtet, RAL-CLASSIC-Farbton angeben
 
Nur für WG-AL
S2 eloxiert, EURAS-Standard-Farbton angeben (31 – 35)
S3 eloxiert, E6-C-0, EURAS-Standard-Farbton
 
Glanzgrad
RAL 9010 50 %
RAL 9006 30 %
Alle anderen RAL-Farben 70 %Bestellbeispiel: WG–AL–1–U/1200×1150/S2–E6-C-31
MaterialAluminium
AusführungInsektenschutzgitter Stahl verzinkt, Frontrahmen ungelocht
Nenngröße1200 × 1150 mm
Einbaurahmenohne
Oberflächeeloxiert, EURAS E6-C-31, leichtbronze
,
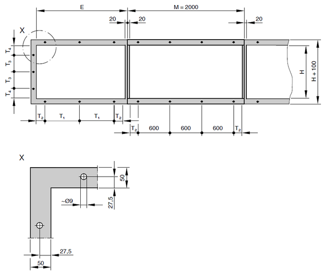
WG-BALE-R2/5500 × 1320/ER/P1 - RAL …
||||||||
12345678
1 Serie
WG-B Wetterschutzgitter, Bandausführung für beliebig große Breiten
 
2 Material
AL Aluminium
 
3 Teilstück
Keine Eintragung: komplettes Gitterband nach Nenngröße
E-R Endstück rechts
E-L Endstück links
M Mittelstück
 
4 Ausführung
Keine Eintragung: Welldrahtgitter, Stahl verzinkt
1 Insektenschutzgitter, Stahl verzinkt
2 Welldrahtgitter, Edelstahl
3 Welldrahtgitter und Insektenschutzgitter, Edelstahl
 
5 Frontrahmen
Keine Eintragung: gelocht
U ungelocht
 
6 Nenngröße [mm]
B × H
Für komplettes Gitterband
B ≤ 4 m: 2 Endstücke (E)
B > 4 m: 2 Endstücke (E) und n Mittelstücke (M)
 
7 Einbaurahmen
Keine Eintragung: ohne
ER mit (nicht mit Frontrahmen ungelocht)
 
8 Oberfläche
Keine Eintragung: Aluminium roh
P1 pulverbeschichtet, RAL-CLASSIC-Farbton angeben
S2 eloxiert, EURAS-Standard-Farbton angeben (31 – 35)
S3 eloxiert, E6-C-0, EURAS-Standard-Farbton
 
Glanzgrad
RAL 9010 50 %
RAL 9006 30 %
Alle anderen RAL-Farben 70 %Bestellbeispiel: WG-B–AL/4500×1980/ER
MaterialAluminium
Teilstück1 Endstück rechts 1250 mm, 1 Mittelstück 2000 mm, 1 Endstück links 1250 mm
AusführungWelldrahtgitter
Nenngröße4500 × 1980 mm
Einbaurahmenmit
OberflächeGrundausführung

Varianten, Abmessungen und Gewichte

  • VARIANTEN
  • ABMESSUNGEN UND GEWICHTE


WG, WG-A2, Gewichte [kg]

H [mm]

B [mm]

20040060080010001200140016001800200022002400
165345689111314151719
3303567911131415171920
49556891113161819212425
660679111316192122262830
8258912131618222426303336
99091013151821252830343841
1155111215172024283133394346
1320121416182226313537434852
1485141618202429343841475257
1650151620222731374144515762
18151718212429344045485662
198018192226313743485260
2145202123283339465256
23102123253035424955


WG, WG-A2, breitengeteilt, Gewichte [kg]

H [mm]

B₁ [mm]

1900210023002500290033003700410045004900

B [mm]

900100011001200140016001800200022002400
16514151718222527303437
33016182021262830343840
49520222426323537434750
66024272931384244515761
82528313437444952606671
99032363942505659687682
115537404447566267778693
1320414448526269748695103
14854549535768768194105114
165049535863748389103114124
181553586368809096111124
1980576268738696104120
21456166727892103111
23106571778398110



WG, WG-A2, höhengeteilt, Gewichte [kg]
H₁ [mm]H [mm]

B [mm]

20040060080010001200140016001800200022002400
24101155212430334047566267778693
274013202428333744526269748695103
3070148527313741495768768194105114
34001650303240445363748389103114124
37301815333642485868809096111124
406019803638445262738696104120
4390214539424656667892103111
4720231042465060718398110




WG-AL, Gewichte [kg]
H [mm]B [mm]
20040060080010001200140016001800200022002400
1652345678910111213
3302345678910111213
49534567891011141619
6604567810121415171922
82556781012141619212426
990678101215171921242730
11557810121416182124273033
132081012141618212427303336
1485101214161821242730333639
1650121416182124273033363942
18151416182124273033363942
198016182024273033363942
2145182022273033363942
23102022242933363942


WG-AL, breitengeteilt, Gewichte [kg]
H [mm]B₁ [mm]
1900210023002500290033003700410045004900
B [mm]
900100011001200140016001800200022002400
16510111213151719212325
33011121314161820222426
49513141516182022283238
66015161820242830343844
82518202224283238424852
99022242730343842485460
115526283032364248546066
132030323436424854606672
148534363942485460667278
165039424548546066727884
1815454851546066727884
19805154576066727884
214557606366727884
2310626669727884



WG-AL, höhengeteilt, Gewichte [kg]
H₁ [mm]H [mm]

B [mm]

20040060080010001200140016001800200022002400
24101155141620242832364248546066
27401320162024283236424854606672
30701485202428323642485460667278
34001650242832364248546066727884
37301815283236424854606672788490
40601980323640485460667278849096
439021453640445460667278849096102
4720231040444858667278849096102108



WG-B-AL, Gewichte [kg]
H [mm]M [mm]E [mm]
2000100012001400160018002000
165105678910
3301167891011
49514789101114
6601781012141517
82521101214161921
99024121517192124
115527141618212427
132030161821242730
148533182124273033
165036212427303336
181539242730333639
198042273033363942

Produktdetails

  • PRODUKTDETAILS
  • PRODUKTDETAILS TABELLEN

 

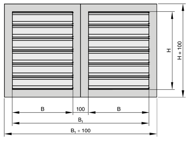
WG, Standardmaßreihe, Breite B, Anzahl Flanschlöcher n

B [mm]

Lochanzahl n

T₁ [mm]

T₂ [mm]

2001100
400224080
600244080
800264080
1000342080
1200352080
1400362080
1600448080
1800454780
2000461380
2200551080
2400556080


WG, Standardmaßreihe, Höhe H, Anzahl Flanschlöcher n

H [mm]

Lochanzahl n

T₃ [mm]

T₄ [mm]

165183
3301165
4951248
6601330
8251413
9901495
11551578
13202445437
14852500492
16502555547
18152610602
19803499491
21453540533
23103581574


WG, Zwischenmaßreihe, Breite B, Anzahl Flanschlöcher n

B [mm]

Lochanzahl n

T₁ [mm]

T₂ [mm]

165 – 3841

B/2

385 – 8812

B - 160

80
882 – 14813

(B - 160)/2

80
1482 – 20814

(B - 160)/3

80
2082 – 23995

(B - 160)/4

80


WG, Zwischenmaßreihe, Höhe H, Anzahl Flanschlöcher n

H [mm]

Lochanzahl n

T₃ [mm]

T₄ [mm]

166 – 13191

H/2

1321 – 19792

(H + 15)/3

T₃ - 7,5

1981 – 23093

(H + 15)/4

T₃ - 7,5


WG-B-AL, Standardmaßreihe, Breite B, Anzahl Flanschlöcher n

Endstück E [mm]

Lochanzahl n

T₁ [mm]

T₂ [mm]

1000341080
1200351080
1400440780
1600447380
1800454080
2000460780


WG-B-AL, Standardmaßreihe, Höhe H, Anzahl Flanschlöcher n

H [mm]

Lochanzahl n

T₃ [mm]

T₄ [mm]

165183
3301165
4951248
6601330
8251413
9901495
11551578
13202445437
14852500492
16502555547
18152610602
19803499491


WG-B-AL, Zwischenmaßreihe, Breite B, Anzahl Flanschlöcher n

Endstück E [mm]

Lochanzahl n

T₁ [mm]

T₂ [mm]

1001 – 14813

(E - 180)/2

80
1482 – 19994

(E - 180)/3

80


WG-B-AL, Zwischenmaßreihe, Höhe H, Anzahl Flanschlöcher n

H [mm]

Lochanzahl n

T₃ [mm]

T₄ [mm]

1001 – 13191

H/2

1321 – 19792

(H + 15)/3

T₃ - 7,5


Einbau und Inbetriebnahme

  • Einbau mit oder ohne Einbaurahmen (Ausführung U nur ohne Einbaurahmen)
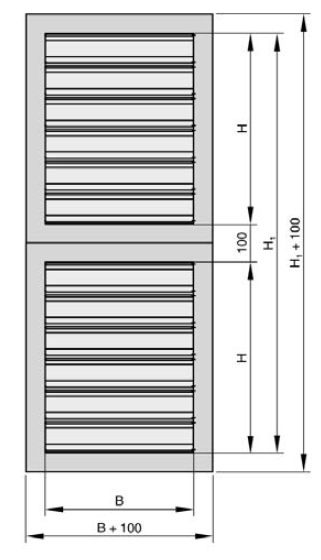
  • Breiten- und höhengeteilte Ausführungen nebeneinander oder übereinander einbauen
  • Einzelne Komponenten der Bandausführung (End- und Mittelstücke) einzeln einbauen
  • Große Flächen auf kundenseitiger Unterkonstruktion


Downloads

Produktinfos

Zertifikate

production {"x-frame-options"=>"SAMEORIGIN", "x-xss-protection"=>"1; mode=block", "x-content-type-options"=>"nosniff", "x-download-options"=>"noopen", "x-permitted-cross-domain-policies"=>"none", "referrer-policy"=>"strict-origin-when-cross-origin", "strict-transport-security"=>"max-age=31536000; includeSubDomains", "content-type"=>"text/html; charset=utf-8"}

Seite teilen

Diese Seite weiterempfehlen

Hier haben Sie die Möglichkeit diese Seite als Link weiter zu empfehlen.

Mit Stern (*) markierte Felder sind Pflichtfelder.

Kontakt

Vielen dank für Ihre Nachricht!

Ihre Empfehlung wurde verschickt und sollte jeden Moment beim Empfänger eingehen.

Kontakt

Wir sind für Sie da

Bitte spezifizieren Sie das Thema Ihrer Anfrage und Ihre Kontaktdaten.
Tel.: +49 (0)2845 / 202-0 | Fax: +49 (0)2845/202-265

Mit Stern (*) markierte Felder sind Pflichtfelder.

Kontakt

Vielen Dank für Ihre Nachricht!

Ihre Nachricht in ist unserem Service Center eingegangen und wird bearbeitet.
Unsere Abteilung für Service-Anfragen wird sich in Kürze mit Ihnen in Verbindung setzten.
Für allgemeine Fragen zu Produkten und Services erreichen Sie uns auch unter:
Tel.: +49 (0)2845 / 202-0 | Fax: +49 (0)2845/202-265

Kontakt

Wir sind für Sie da

Bitte spezifizieren Sie das Thema Ihrer Anfrage und Ihre Kontaktdaten.
Tel.: +49 (0)2845 / 202-0 | Fax: +49 (0)2845/202-265

Anhang (max. 10MB)

Mit Stern (*) markierte Felder sind Pflichtfelder.

Kontakt

Vielen Dank für Ihre Nachricht!

Ihre Nachricht in ist unserem Service Center eingegangen und wird bearbeitet.
Unsere Abteilung für Service-Anfragen wird sich in Kürze mit Ihnen in Verbindung setzten.
Für allgemeine Fragen zu Produkten und Services erreichen Sie uns auch unter:
Tel.: +49 (0)2845 / 202-0 | Fax: +49 (0)2845/202-265