SA-D-HV-2220
SA-D-HV-2220

X-CUBE SCHOOLAIR-D-HV-2220

ZU- UND ABLUFTGERÄT ZUM EINBAU UNTER DER DECKE

Anschlussfertiges dezentrales Lüftungsgerät zur komfortablen Raumtemperierung sowie Be- und Entlüftung von Räumen wie z. B. Unterrichts- oder Besprechungsräumen und Kindertagesstätten

  • Montage während des Schulbetriebs möglich
  • Montage freihängend, teilweise oder vollständig in abgehängter Decke integriert
  • Akustisch optimierte EC-Ventilatoren mit niedriger spezifischer Ventilatorleistung, nach DIN EN 16798-3 SFP = 0
  • Reduzierung der Feinstaub- und Pollenbelastung durch integrierte Luftfilter nach VDI 6022 – Filterklasse ISO ePM1 65 % und Abluft ISO Coarse 90 %
  • Werkzeugloser Filterwechsel
  • Rotationswärmerückgewinner (Rückwärmzahl 75 %) mit Feuchterückgewinnung im Winter
  • Ganzjährige Nutzung der Wärmerückgewinnung (WRG)
  • Umschaltmöglichkeit auf Sekundärluftbetrieb
  • Hocheffizienter Wärmeübertrager zum Heizen und/oder Kühlen als 2- oder 4- Leiter-System
  • Anschluss des Wärmeübertragers raumseitig rechts
  • Motorisierte Absperrklappen, stromlos geschlossen


Optionale Ausstattung und Zubehör
  • Speziell auf dezentrale Lüftungsgeräte ausgelegte und modular aufgebaute Regelung FSL-CONTROL III
  • Ausstattung mit Elektroheizregister

Technische Information

  • FUNKTION
  • TECHNISCHE DATEN
  • BESTELLSCHLÜSSEL
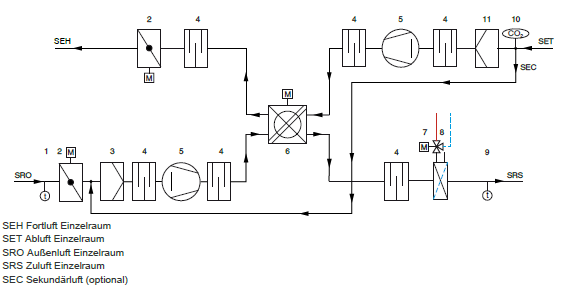
SA-D-HV-2220_dia_01ai.png

1 Außentemperaturfühler (optional)
2 Absperrklappe mit Stellantrieb (Fortluft und Außenluft)
3 Außenluftfilter ISO ePM1 inklusive Druckdifferenzüberwachung
4 Schalldämpfer
5 Ventilator (Zu- und Abluft)
6 Rotationswärmerückgewinner
7 Lufterhitzer
8 Luftkühler (Change-over-System oder 4-Leiter)
9 Zulufttemperaturfühler
10 CO2‑Sensor (optional)
11 Abluftfilter ISO Coarse

Funktionsbeschreibung

Dezentrale Zu- und Abluftgeräte be- und entlüften den Raum und decken die Heizlast gemäß den technischen Daten ab. Die Außenluft wird von einem EC‑Radialventilator angesaugt und strömt durch die motorisierte Absperrklappe sowie durch den Außenluftfilter. Danach strömt die Außenluft durch den Rotationswärmerückgewinner, der in energetisch sinnvollen Betriebssituationen abgeschaltet werden kann. Bevor die Zuluft mit Impuls aus dem Zuluftgitter deckennah (Coanda-Effekt) zugfrei in den Raum strömt, wird sie bei Bedarf im Wärmeübertrager noch geheizt (bzw. optional gekühlt). Die Abluft strömt durch den Abluftfilter, bevor sie durch den Wärmerückgewinner, den Abluftventilator und die motorisierte Absperrklappe als Fortluft ins Freie gefördert wird. Bei ausreichend guter Raumluftqualität kann durch die FSL‑CONTROL III Regelung durch Schließen der Außenluftklappen in den energetisch sinnvollen Sekundärluftbetrieb umgeschaltet werden. Die Regelung vergleicht dabei die Sollwerte der Raumluftqualität mit den am CO2‑Sensor gemessenen Istwerten und schaltet automatisch zwischen Außenluft- und Sekundärluftbetrieb um. Zum Brandschutz, Frostschutz und zur Vermeidung von Zugluft werden bei Stromausfall die Außenluft- und Fortluftklappe zugefahren. Hierzu besitzen die Stellantriebe einen Energiespeicher. Die Zuluft strömt mit mittlerer Geschwindigkeit dicht unter der Decke in den Raum. Durch den Coanda-Effekt wird der Luftstrom nach oben abgelenkt und bleibt an der Deckenunterseite haften. Dies ermöglicht sehr große Wurfweiten, wodurch auch große Räume effektiv durchlüftet werden können. Wenn die Zuluft die Wand gegenüber dem Luftaustritt erreicht, entsteht eine Raumluftwalze. Die im Aufenthaltsbereich angekommene Zuluft hat eine sehr geringe Luftgeschwindigkeit und strömt an Wärmequellen hoch – z. B. an Menschen und Geräten. Sie bildet durch natürliche Konvektion eine Auftriebsströmung. Dadurch wird primär in diesen Bereichen die Luft ausgetauscht. Die aufgestiegene verbrauchte Luft wird direkt unter der Decke ins Gerät abgesaugt und ins Freie abgeführt.

Breite

2228 mm, 2420 mm, 2770 mm, 2765 mm

Höhe

401 mm, 433 mm

Tiefe

854 mm, 923 mm

Volumenstrom

200, 300, 400 m³/h (Boost 600 m³/h)

Nennvolumenstrom

400 m³/h

Schalldruckpegel bei Nennvolumenstrom und 8 dB

35 dB(A)

Schallleistungspegel

33 – 51 dB(A)

Wärmerückgewinnungsgrad

75%

maximaler Betriebsdruck wasserseitig

6 bar

maximale Betriebstemperatur

75 °C

Versorgungsspannung

230 V AC ±10 %, 50/60 Hz

Anschlussleistung

640 VA

Gewicht

225 kg

SA-DHVT41BBQ/2770 × 401 × 854/0/C3MAT/MR/C/Z/A/HVR0.4/KVR0.63
|||||||||| ||||||||||||
12345678910 111213141516171819202122


1 Serie   
SA-D Deckenlüftungsgerät X-CUBE/SCHOOLAIR-D

2 Variante 
HV hoher Volumenstrom und Rotationswärmerückgewinner

3 Einbausituation
0 Einbau integriert in abgehängte Decke
F freihängender Einbau
T teilintegriert in abgehängte Decke
Z Einbau in eine vorab montierte Zarge1
I Einbausituation noch offen2

4 Wärmeübertrager
2 2-Leiter
4 4-Leiter

5 Wärmeübertragerausführung
Ausführung angeben (technische Auslegung mit TROX EPF oder TROX CONFIGURATOR)

6 Ausführung
BB Außenluftanschluss nach hinten, Fortluftanschluss nach hinten
LB Außenluftanschluss nach links, Fortluftanschluss nach hinten (nicht mit Einbausituation F oder Anschluss W)
BR Außenluftanschluss nach hinten, Fortluftanschluss nach rechts (nicht mit Einbausituation F oder Anschluss W)
LR Außenluftanschluss nach links, Fortluftanschluss nach rechts (nicht mit Einbausituation F oder Anschluss W)

7 Anschluss
0 ohne Anschluss (nur mit Einbausituation I)
W Wandanschlussdichtsatz für Außen- und Fortluft (nicht mit Einbausituation I) B Bundkragen für Außen- und Fortluft (nicht mit Einbausituation I)
Q Kanalstutzen für Außen- und Fortluft (und nicht mit Einbausituation I)

8 Nenngröße [mm]
Breite x Höhe x Tiefe

2228 x 401 x 854 (nur mit Einbausituation 0)

2420 x 401 x 854 (nur mit Einbausituation F)

2770 x 401 x 854 (nur mit Einbausituation T)

2765 x 433 x 923 (nur mit Einbausituation Z)

2220 x 401 x 854 (nur mit Einbausituation I)

9 Oberfläche (Sichtseite)
0 pulverbeschichtet, RAL 9010 (reinweiß), GE 30
P1 pulverbeschichtet, RAL 7012 (basaltgrau), GE 30 oder alternativen RAL-CLASSIC-Farbton angeben, GE 30

10 Regelung
OR ohne Regelung
C3 mit FSL-CONTROL III

11 Regelungsfunktion
MA Master
SL Slave

12 Echtzeituhr
Nur mit Regelungsfunktion MA
Keine Eintragung: ohne Echtzeituhr
T mit Echtzeituhr

13 Schnittstelle
Keine Eintragung: ohne Schnittstelle
MT mit Modbus TCP
MR mit Modbus RTU (nur mit Regelungsfunktion MA)
BI mit BACnet IP
BM mit BACnet MS/TP (nur mit Regelungsfunktion MA)

14 Luftqualitätsfühler
Nur mit Regelungsfunktion MA
Keine Eintragung: ohne Luftqualitätsfühler
C mit CO2-Sensor
V mit VOC-Sensor

15 Zulufttemperaturfühler
Z mit Zulufttemperaturfühler

16 Außenlufttemperaturfühler
Nur mit Regelungsfunktion MA
Keine Eintragung: ohne Außentemperaturfühler
A mit Außentemperaturfühler

17 Heizventil
HV mit thermoelektrischem Antrieb
HVE mit elektromotorischem Antrieb

18 Rücklaufverschraubung Heizkreis
R mit Rücklaufverschraubung

19 Kvs-Wert Heizventil
0,25 (Durchgangsventil)
0,40 (Durchgangsventil)
0,63 (Durchgangsventil)
1,00 (Durchgangsventil)
F0,50 (druckunabhängiges Regelventil)

20 Kühlventil
Nur mit Wärmeübertrager 4
KV mit thermoelektrischem Antrieb
KVE mit elektromotorischem Antrieb

21 Rücklaufverschraubung Kühlkreis
Nur mit Wärmeübertrager 4
R mit Rücklaufverschraubung

22 Kvs-Wert Kühlventil
Nur mit Wärmeübertrager 4
0,25 (Durchgangsventil)

Downloads

Produktinfos

Betriebsanleitungen

production {"x-frame-options"=>"SAMEORIGIN", "x-xss-protection"=>"1; mode=block", "x-content-type-options"=>"nosniff", "x-download-options"=>"noopen", "x-permitted-cross-domain-policies"=>"none", "referrer-policy"=>"strict-origin-when-cross-origin", "strict-transport-security"=>"max-age=31536000; includeSubDomains", "content-type"=>"text/html; charset=utf-8"}

Seite teilen

Diese Seite weiterempfehlen

Hier haben Sie die Möglichkeit diese Seite als Link weiter zu empfehlen.

Mit Stern (*) markierte Felder sind Pflichtfelder.

Kontakt

Vielen dank für Ihre Nachricht!

Ihre Empfehlung wurde verschickt und sollte jeden Moment beim Empfänger eingehen.

Kontakt

Wir sind für Sie da

Bitte spezifizieren Sie das Thema Ihrer Anfrage und Ihre Kontaktdaten.
Tel.: +49 (0)2845 / 202-0 | Fax: +49 (0)2845/202-265

Mit Stern (*) markierte Felder sind Pflichtfelder.

Kontakt

Vielen Dank für Ihre Nachricht!

Ihre Nachricht in ist unserem Service Center eingegangen und wird bearbeitet.
Unsere Abteilung für Service-Anfragen wird sich in Kürze mit Ihnen in Verbindung setzten.
Für allgemeine Fragen zu Produkten und Services erreichen Sie uns auch unter:
Tel.: +49 (0)2845 / 202-0 | Fax: +49 (0)2845/202-265

Kontakt

Wir sind für Sie da

Bitte spezifizieren Sie das Thema Ihrer Anfrage und Ihre Kontaktdaten.
Tel.: +49 (0)2845 / 202-0 | Fax: +49 (0)2845/202-265

Anhang (max. 10MB)

Mit Stern (*) markierte Felder sind Pflichtfelder.

Kontakt

Vielen Dank für Ihre Nachricht!

Ihre Nachricht in ist unserem Service Center eingegangen und wird bearbeitet.
Unsere Abteilung für Service-Anfragen wird sich in Kürze mit Ihnen in Verbindung setzten.
Für allgemeine Fragen zu Produkten und Services erreichen Sie uns auch unter:
Tel.: +49 (0)2845 / 202-0 | Fax: +49 (0)2845/202-265