1 Abluft-/Sekundärluftfilter als Flachfiltermedium (Grobstaubfilter), Filterklasse nach ISO 16890: ISO Coarse 60 %
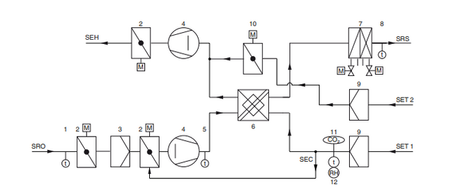
2 Filterdeckel für Außenluftfilter (Plisseefilter), Klasse ISO ePM 1 65 % (Feinstaubfilter)
3 Servicebuchse
4 Stutzen/Dichtung zur Fassade (Stutzen optional)
5 Außenlufttemperaturfühler
6 2- oder 4-Leiter-Wärmeübertrager
7 Zulufttemperaturfühler
8 Bypassluftfilter als Flachfiltermedium (Grobstaubfilter), Filterklasse nach ISO 16890: ISO Coarse 60 %
9 Revisionsdeckel
10 Wasseranschlüsse
11 Befestigungswinkel (verschiebbar)
12 Justierfüße
13 Anschlussleitung Versorgungsspannung
14 Reglerbox für interne elektrische Verdrahtung (230 V – Öffnen nur durch TROX)
15 Klemmenkasten für kundenseitige Anschlussinstallation (Schutzkleinspannung)
16 Stahlseil, Verbindung von Klemmenkasten und Reglerbox mit dem Lüftungsgerät
SEH Fortluft Einzelraum
SET 1 Abluft Einzelraum
SET 2 Abluft Einzelraum (Sommerbypass, Nachtauskühlung)
SRO Außenluft Einzelraum
SRS Zuluft Einzelraum
SEC Sekundärluft
Unterflurgerät zur dezentralen Lüftung für den Einbau in den Systemboden (Hohlraum- oder Doppelboden). Das Gehäuse besteht aus lackiertem Stahlblech und ist schall- und wärmegedämmt. Die Luftöffnung im Fußboden wird entweder mit einem Lineargitter oder Rollrost abgedeckt. Die Außenluft wird von einem EC-Radialventilator angesaugt und strömt durch die motorisierte Absperrklappe und den Feinstaubfilter. Dann strömt die Außenluft durch den rekuperativen Kreuzstrom-Wärmerückgewinner. Dort wird ein Teil der Abluftwärme auf den Außenluftstrom übertragen. Die gefilterte und erwärmte Außenluft wird anschließend den Räumen als Zuluft zugeführt. Bevor die Zuluft quellluftartig in den Raum strömt, wird sie bei Bedarf im Wärmeübertrager noch geheizt bzw. gekühlt. Die Abluft strömt durch den Abluftfilter, bevor sie durch die WRG, den Abluftventilator und die motorisierte Absperrklappe als Fortluft ins Freie gefördert wird. Bei ausreichend guter Raumluftqualität schaltet die FSL-CONTROL III Regelung durch Schließen der Außenluftklappen in den energetisch sinnvollen Sekundärluftbetrieb. Die Regelung vergleicht dabei die Sollwerte der Raumluftqualität mit den am CO2-Sensor gemessenen Istwerten und schaltet automatisch zwischen Außenluft- und Sekundärluftbetrieb um. Zum Brandschutz, Frostschutz und zur Vermeidung von Zugluft werden bei Stromausfall die Außenluft- und Fortluftklappe zugefahren. Hierzu besitzen die Stellantriebe einen Energiespeicher. Die Zuluft strömt mit mittlerer Geschwindigkeit fassadennah in den Raum. Durch die Induktionswirkung werden die Geschwindigkeiten bereits kurz nach dem Lufteintritt in den Raum abgebaut. Dadurch breitet sich die Zuluft im Kühlfall über die gesamte Bodenfläche quellluftartig aus. An Wärmequellen wie Menschen und Geräten bildet sich durch natürliche Konvektion eine Auftriebsströmung, so dass primär in diesen Bereichen die Luft ausgetauscht wird.
| Breite | 1100 mm (2-Leiter)/1150 mm (4-Leiter) |
| Höhe | 150 mm unter dem Systemboden (Hohlraum- oder Doppelboden), Oberkante Lüftungsgitter projektspezifisch, mindestens 196 mm |
| Tiefe | 860 mm |
| Tiefe Lüftungsgitter | 340 mm |
| Außenluftvolumenstrom | 0 – 120 m³/h |
| Zuluftvolumenstrom | 60 – 200 m³/h |
| Nennvolumenstrom | 120 m³/h |
| Schallleistungspegel | 28 – 47 dB(A) |
Wärmerückgewinnungsgrad | 60 % |
| maximaler Betriebsdruck wasserseitig | 6 bar |
| maximale Betriebstemperatur | 75 °C |
| Versorgungsspannung | 1~ 230 V AC, ±10 %, 50/60 Hz |
| Anschlussleistung | 326 VA |
| Gewicht | 75 kg |
| RA-U-ZAS | – | 4 | – | 1 | / | AR | / | 1150 × 196 × 830 | / | C3 | – | MA | – | T | / | MR | / | C | / | Z | / | A | / | HVE | – | R | – | 0,04 | / | KVE | – | R | – | 0,40 |
| | | | | | | | | | | | | | | | | | | | | | | | | | | | | | | | | | | | | |||||||||||||||||
| 1 | 2 | 3 | 4 | 5 | 6 | 7 | 8 | 9 | 10 | 11 | 12 | 13 | 14 | 15 | 16 | 17 | 18 | |||||||||||||||||
1 Serie
RA-U-ZAS dezentrales Unterflurlüftungsgerät X-CUBE/ROOMAIR-U-ZAS
2 Wärmeübertrager
2 2-Leiter
4 4-Leiter
3 Wärmeübertragerausführung
Ausführung angeben (technische Auslegung mit TROX EPF oder TROX CONFIGURATOR)
4 Ausführung
AR Wasseranschluss raumseitig rechts
AL Wasseranschluss raumseitig links
5 Nenngröße [mm]
Breite × Höhe × Tiefe
1100 × 196 × 830 (nur mit Wärmeübertrager 2)
1150 × 196 × 830 (nur mit Wärmeübertrager 4)
6 Regelung
C3 mit FSL-CONTROL III
7 Regelungsfunktion
MA Master
SL Slave
8 Echtzeituhr
Nur mit Regelungsfunktion MA
Keine Eintragung: ohne Echtzeituhr
T mit Echtzeituhr
9 Schnittstelle
Keine Eintragung: ohne Schnittstelle
MT mit Modbus TCP
MR mit Modbus RTU (nur mit Regelungsfunktion MA)
BI mit BACnet IP
BM mit BACnet MS/TP (nur mit Regelungsfunktion MA)
10 Luftqualitätsfühler
Nur mit Regelungsfunktion MA
Keine Eintragung: ohne Luftqualitätsfühler
C mit CO2-Sensor
V mit VOC-Sensor
11 Zulufttemperaturfühler
Z mit Zulufttemperaturfühler
12 Außenlufttemperaturfühler
Nur mit Regelungsfunktion MA
Keine Eintragung: ohne Außenlufttemperaturfühler
A mit Außenlufttemperaturfühler
13 Heizventil
HVE mit elektromotorischem Antrieb
14 Rücklaufverschraubung Heizkreis
R mit Rücklaufverschraubung
15 Kvs-Wert Heizventil
0,25 (Durchgangsventil)
0,40 (Durchgangsventil)
0,63 (Durchgangsventil)
1,00 (Durchgangsventil)
F0,50 (druckunabhängiges Regelventil)
16 Kühlventil
Nur mit Wärmeübertrager 4
KVE mit elektromotorischem Antrieb
17 Rücklaufverschraubung Kühlkreis
Nur mit Wärmeübertrager 4
R mit Rücklaufverschraubung
18 Kvs-Wert Kühlventil
Nur mit Wärmeübertrager 4
0,25 (Durchgangsventil)
0,40 (Durchgangsventil)
0,63 (Durchgangsventil)
1,00 (Durchgangsventil)
F0,50 (druckunabhängiges Regelventil)
Seite teilen
Diese Seite weiterempfehlen
Hier haben Sie die Möglichkeit diese Seite als Link weiter zu empfehlen.
Kontakt
Vielen dank für Ihre Nachricht!
Ihre Empfehlung wurde verschickt und sollte jeden Moment beim Empfänger eingehen.
Kontakt
Wir sind für Sie da
Bitte spezifizieren Sie das Thema Ihrer Anfrage und Ihre Kontaktdaten.
Tel.: +49 (0)2845 / 202-0 | Fax: +49 (0)2845/202-265
Kontakt
Vielen Dank für Ihre Nachricht!
Ihre Nachricht in ist unserem Service Center eingegangen und wird bearbeitet.
Unsere Abteilung für Service-Anfragen wird sich in Kürze mit Ihnen in Verbindung setzten.
Für allgemeine Fragen zu Produkten und Services erreichen Sie uns auch unter:
Tel.: +49 (0)2845 / 202-0 | Fax: +49 (0)2845/202-265
Kontakt
Wir sind für Sie da
Bitte spezifizieren Sie das Thema Ihrer Anfrage und Ihre Kontaktdaten.
Tel.: +49 (0)2845 / 202-0 | Fax: +49 (0)2845/202-265
Kontakt
Vielen Dank für Ihre Nachricht!
Ihre Nachricht in ist unserem Service Center eingegangen und wird bearbeitet.
Unsere Abteilung für Service-Anfragen wird sich in Kürze mit Ihnen in Verbindung setzten.
Für allgemeine Fragen zu Produkten und Services erreichen Sie uns auch unter:
Tel.: +49 (0)2845 / 202-0 | Fax: +49 (0)2845/202-265